Cảm biến áp suất BECK 930.85 đo vi sai áp suất chính xác, tín hiệu ra relay, dùng cho hệ HVAC, phòng sạch và điều khiển công nghiệp. Sản xuất tại Đức, độ tin cậy cao.
Cảm biến áp suất BECK 930.85 là dòng cảm biến vi sai áp suất cao cấp đến từ Beck GmbH (Đức), được thiết kế chuyên biệt cho các hệ thống HVAC, điều hòa không khí, lọc gió, giám sát áp suất phòng sạch, và tự động hóa công nghiệp.
Với độ ổn định cao, dải đo linh hoạt và khả năng chống nhiễu vượt trội, BECK 930.85 là lựa chọn tối ưu cho các kỹ sư cần thiết bị đo áp suất chính xác và bền bỉ.

| Thông số | Giá trị |
|---|---|
| Model | BECK 930.85 |
| Dải đo áp suất | 200Pa đến 1000Pa |
| Nguồn cấp | 24 V AC/DC ±10% |
| Tín hiệu ngõ ra | Relay |
| Áp suất chênh tác động | 100Pa |
| Thời gian đáp ứng | < 10 ms |
| Nhiệt độ làm việc | -10...+50°C |
| Cấp bảo vệ | IP65 |
| Kết nối áp suất | Ống Ø6 mm |
| Xuất xứ | Đức (Germany) |
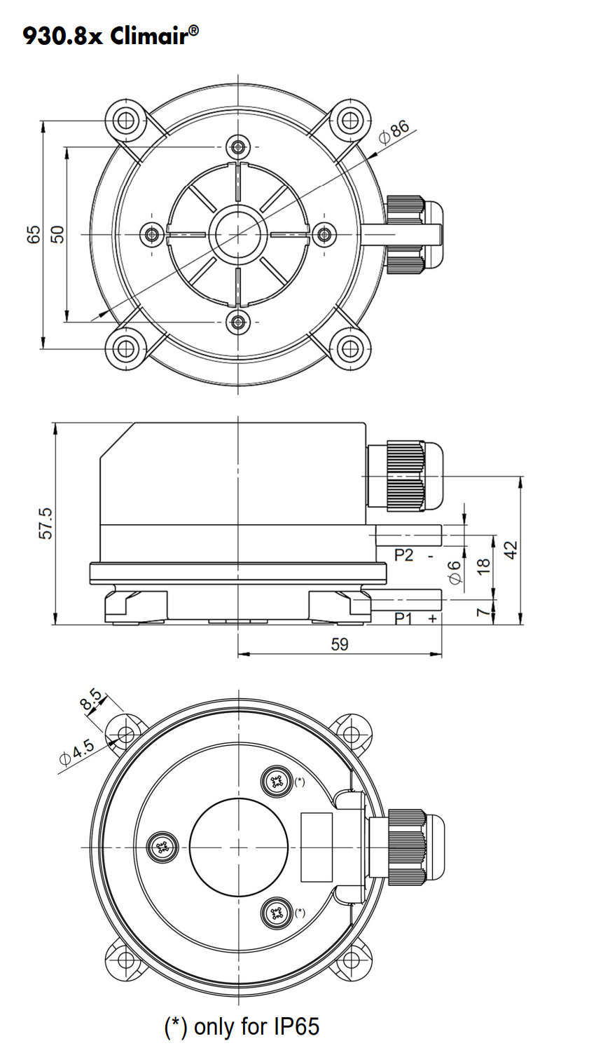
Kích thước

