logo Tự động hóa Az

Cầu đấu rơ le 8P OMRON G6DN-1A-SL 5A (MRA2080)

Nhà cung cấp: Tự động hóa Az ✅
Mã sản phẩm: MRA2080
Tình trạng: Còn hàng
Liên hệ

Cầu đấu relay 8P MRA2080 là module relay trung gian 24VDC chuyên dụng cho tủ điện và hệ thống điều khiển PLC. Với 8 chân (8 relay OMRON G6DN-1A), cuộn dây 24VDC, dòng kích 7.5 mA, tiếp điểm AC250V/5A, sản phẩm phù hợp cho hệ thống tự động hóa, cách ly tín hiệu, bảo vệ mạch vi xử lý và điều khiển máy móc công nghiệp.

Grow - Brilliant Together
Dịch vụ
Miễn phí vận chuyển nội thành
Dịch vụ
Vận chuyển thần tốc trong 2h làm việc
Dịch vụ
Đổi mới ngày đầu 1 đổi 1 nếu lỗi kỹ thuật
Dịch vụ
Đổi trả và bảo hành nhanh chóng
Dịch vụ
Tổng đài kỹ thuật Chat Zalo: 0902 176 098 hỗ trợ miễn phí

Cầu đấu relay 8P MRA2080 24V

Trong các hệ thống điều khiển PLC và tự động hóa công nghiệp, việc tách biệt tín hiệu điều khiển và tải điện lớn là yêu cầu thiết yếu nhằm đảm bảo an toàn và độ ổn định cho thiết bị. Cầu đấu relay 8P MRA2080 được thiết kế để đáp ứng nhiệm vụ này với độ tin cậy cao, tuổi thọ lớn và khả năng chịu dòng 5A. Đây là lựa chọn phổ biến cho các tủ điều khiển, module relay PLC và các hệ thống điện công nghiệp.

Cầu đấu relay 8P MRA2080 24VDC - hình ảnh thực tế
Hình ảnh thực tế cầu đấu relay 8P MRA2080 24VDC
Module relay 8P MRA2080 dùng cho tủ PLC
Module relay 8P MRA2080 cho hệ thống PLC

Giới thiệu chung

Relay MRA2080 8P là một loại cầu đấu relay trung gian 8 chân, hoạt động với điện áp cuộn 24VDC. Thiết bị được thiết kế để chuyển mạch tín hiệu điều khiển nhỏ (nguồn PLC, cảm biến) thành tín hiệu tải lớn (động cơ, bơm, đèn báo, van điện từ).

Cấu tạo 8P (8 pin) giúp relay MRA2080 dễ dàng lắp vào đế relay chuẩn, phù hợp cho tủ điện điều khiển đa kênh. Đây là loại relay được các hãng lớn như Omron, Panasonic, và Shenzhen Doho sử dụng trong nhiều giải pháp điều khiển công nghiệp.

Thông số kỹ thuật

Thông số Giá trị
Điện áp cuộn dây (Coil Voltage) DC 24 V
Dòng kích (Pull-in Current) 7.5 mA
Trở kháng cuộn dây (Coil Resistance) 3 200 Ω
Điện áp hồi về (Release Voltage) ≤ 1.2 V
Điện áp cực đại cho cuộn dây 40 V
Tiếp điểm (Contact Form) 1A – 1 NO (1 thường hở)
Điện áp tiếp điểm tối đa 250 VAC / 110 VDC
Dòng tải tối đa 5 A
Điện trở tiếp điểm ban đầu ≤ 30 mΩ
Tuổi thọ cơ học ≥ 2 000 000 lần đóng/ngắt
Tuổi thọ điện ≥ 100 000 lần với tải AC250V 5A
Tiêu thụ công suất định mức 180 mW
Số chân (Pin) 8 chân (8P)
Kiểu đấu dây Đế relay 8P, module terminal block
Kích thước relay 8P MRA2080
Kích thước chi tiết của relay 8P MRA2080
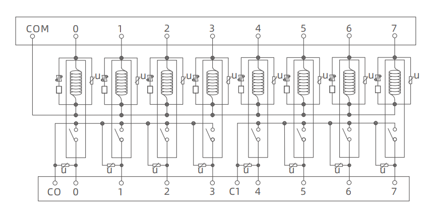
Sơ đồ đấu nối relay 8P MRA2080 24V
Sơ đồ đấu nối cầu đấu relay 8P MRA2080 24V

Chức năng

  • Chuyển mạch cách ly tín hiệu: giúp cách ly giữa mạch điều khiển PLC và mạch tải, tránh nhiễu hoặc quá tải gây hư thiết bị.
  • Kích hoạt tải điện: đóng/mở đèn báo, cuộn hút van điện từ, động cơ nhỏ, contactor phụ.
  • Tăng khả năng mở rộng: cho phép PLC điều khiển tải cao mà không ảnh hưởng đến cổng ra digital output.
  • Phản hồi trạng thái: LED hiển thị trạng thái relay giúp giám sát dễ dàng trong quá trình vận hành.

Ứng dụng nổi bật

Cầu đấu relay 8P MRA2080 được sử dụng rộng rãi trong:

  • Hệ thống tủ PLC công nghiệp: trung gian giữa module PLC và thiết bị tải.
  • Máy đóng gói, dây chuyền tự động: dùng để điều khiển động cơ, van, băng tải.
  • Tủ điện điều khiển bơm, máy ép, máy gia công CNC.
  • Hệ thống chiếu sáng và báo tín hiệu tự động.
  • Thiết bị tự động nhà xưởng (industrial automation).
  • Bộ điều khiển SCADA, DCS, hoặc bảng điều khiển trung tâm.

Ưu điểm vượt trội

  • Thiết kế siêu nhỏ gọn, hiệu suất cực cao.
  • Hoạt động ổn định ở 24 VDC, dòng kích thấp chỉ 7.5 mA – dễ dàng tương thích PLC.
  • Tiếp điểm chịu tải lớn (AC250V/5A), bảo vệ mạch điều khiển hiệu quả.
  • Độ bền cao: tuổi thọ điện > 100 000 lần và cơ học > 2 triệu lần.
  • Đèn LED báo trạng thái hoạt động giúp giám sát và bảo trì thuận tiện.
  • Cách điện tốt, chống nhiễu, chống từ trường, phù hợp môi trường công nghiệp.
  • Giá thành hợp lý so với relay trung gian Omron MY2N hoặc LY2, nhưng vẫn đảm bảo chất lượng và độ bền cao.

Kết luận / Mua hàng

Nếu bạn đang tìm kiếm cầu đấu relay 8P 24V chất lượng cao cho hệ thống điều khiển PLC hoặc tủ tự động hóa, MRA2080 là lựa chọn tối ưu về độ ổn định, giá thành và tương thích kỹ thuật. Sản phẩm được tin dùng trong nhiều dây chuyền sản xuất, máy công nghiệp và thiết bị điều khiển tại Việt Nam.

👉 Liên hệ ngay để nhận báo giá cầu đấu relay 8P MRA2080 24Vtư vấn ứng dụng kỹ thuật phù hợp cho dự án của bạn.

Quý khách đăng ký thành viên để nhận các ưu đãi hấp dẫn khi mua sản phẩm
popup

Số lượng:

Tổng tiền:

Giỏ hàng( Sản phẩm)

avatar
Xin chào
close nav
Tất cả danh mục