logo Tự động hóa Az

Relay (Rơ le) bán dẫn ba pha RSDA-560-30-3D2

Nhà cung cấp: Tự động hóa Az ✅
Mã sản phẩm: RSDA-560-30-3D2
Tình trạng: Còn hàng
Liên hệ

Relay bán dẫn ba pha RSDA-560-30-3D2 CII là dòng Solid State Relay 3 pha công suất 30A, điện áp tải đến 660VAC, điều khiển DC 4–32VDC, tích hợp tản nhiệt, LED báo, snubberlắp DIN Rail tiện lợi. Lý tưởng cho các hệ thống tủ điện, điều khiển động cơ, gia nhiệt và máy công nghiệp.

Grow - Brilliant Together
Dịch vụ
Miễn phí vận chuyển nội thành
Dịch vụ
Vận chuyển thần tốc trong 2h làm việc
Dịch vụ
Đổi mới ngày đầu 1 đổi 1 nếu lỗi kỹ thuật
Dịch vụ
Đổi trả và bảo hành nhanh chóng
Dịch vụ
Tổng đài kỹ thuật Chat Zalo: 0902 176 098 hỗ trợ miễn phí

Relay bán dẫn ba pha RSDA-560-30-3D2 CII

Trong các hệ thống tự động hóa công nghiệp hiện đại, việc điều khiển tải công suất lớn bằng relay bán dẫn (Solid State Relay) đã trở thành tiêu chuẩn thay thế relay cơ truyền thống.
Sản phẩm RSDA-560-30-3D2 của Continental Industries International (CII) là một trong những lựa chọn hàng đầu cho hệ thống điều khiển ba pha, nhờ khả năng vận hành bền bỉ, hiệu suất cao và thiết kế tối ưu cho lắp đặt tủ điện công nghiệp.

Relay bán dẫn CII RSDA-560-30-3D2 - hình ảnh thực tế 1 Solid State Relay 3 pha RSDA-560-30-3D2 CII - hình ảnh thực tế 2
Hình ảnh thực tế relay bán dẫn ba pha RSDA-560-30-3D2 CII

Giới thiệu chung

RSDA-560-30-3D2 thuộc dòng Three Phase DIN Rail Mount Relay của CII, được thiết kế chuyên dụng để điều khiển tải AC ba pha lên đến 660V – 30A, sử dụng nguồn điều khiển DC 4–32VDC.
Sản phẩm có cấu trúc cách ly quang hoàn toàn, giúp đảm bảo an toàn cho mạch điều khiển. Phần vỏ được tích hợp tản nhiệt nhôm, đèn LED báo trạng thái, cùng snubber chống nhiễu điện áp.
Nhờ khả năng lắp DIN Rail hoặc bắt panel, relay này dễ dàng tích hợp vào mọi tủ điện điều khiển, máy gia nhiệt hoặc hệ thống tự động hóa.

Thông số kỹ thuật

Thông số RSDA-560-30-3D2
Hãng sản xuất Continental Industries International (CII)
Loại relay Relay bán dẫn ba pha (Solid State Relay – SSR)
Điện áp tải 48–660 VAC
Dòng tải định mức 30 A
Điện áp điều khiển 4–32 VDC
Dòng điều khiển 18 mA (max)
Cách ly điện áp 4000 VAC
Tích hợp Tản nhiệt, LED báo, snubber chống nhiễu
Kiểu lắp đặt DIN Rail hoặc panel
Cấu trúc chuyển mạch Zero voltage turn-on
SCR Direct copper bonded SCR
Chứng nhận UL, C.S.A., CE compliance
Tùy chọn bảo vệ MOV tích hợp (chống nhiễu công nghiệp)
Sơ đồ đấu nối RSDA-560-30-3D2 CII
Sơ đồ đấu nối Relay RSDA-560-30-3D2
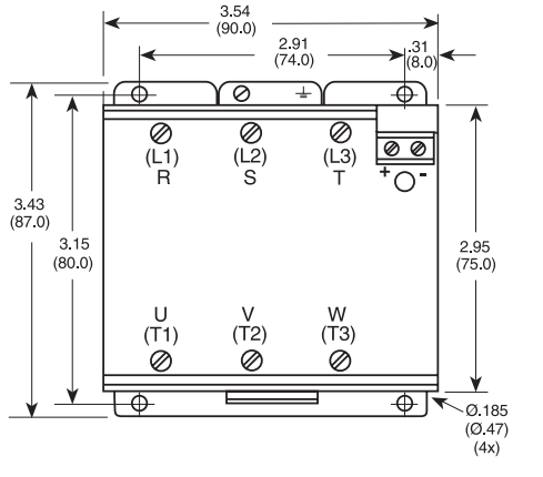
Kích thước relay RSDA-560-30-3D2 CII - hình 1 Kích thước relay RSDA-560-30-3D2 CII - hình 2
Kích thước relay RSDA-560-30-3D2 CII

Tải tài liệu kỹ thuật

👉 Tải datasheet RSDA-560-30-3D2 tại đây

Tài liệu kỹ thuật bao gồm sơ đồ chân, hướng dẫn đấu nối 3 pha – 2 pha, biểu đồ derating curve và hướng dẫn chọn cầu chì bảo vệ phù hợp.

Chức năng

RSDA-560-30-3D2 hoạt động như một công tắc điện tử không tiếp điểm, cho phép đóng – ngắt tải AC ba pha bằng tín hiệu điều khiển DC.

  • Cách ly quang giữa ngõ vào – ngõ ra, bảo vệ mạch điều khiển.
  • Chuyển mạch zero voltage, giảm nhiễu điện từ, tăng tuổi thọ thiết bị.
  • Tản nhiệt tích hợp giúp relay hoạt động ổn định trong môi trường tải nặng.
  • Snubber bảo vệ SCR khỏi xung áp đột biến.
  • LED báo trạng thái, giúp giám sát hoạt động dễ dàng.

Nhờ các tính năng này, sản phẩm có thể vận hành liên tục trong môi trường công nghiệp khắt khe mà không cần bảo trì.

Ứng dụng nổi bật

Relay RSDA-560-30-3D2 CII được ứng dụng rộng rãi trong nhiều ngành công nghiệp, đặc biệt trong các hệ thống yêu cầu độ tin cậy cao:

  • ⚙️ Tủ điều khiển trung tâm (MCC, Control Panel)
  • 🔥 Hệ thống gia nhiệt, lò nung, máy ép nhựa, máy sấy
  • 🧊 Điều khiển máy nén khí, máy lạnh công nghiệp (HVAC)
  • 📦 Máy đóng gói, băng tải, robot công nghiệp
  • Hệ thống test tải, máy tạo nhiệt, thiết bị đo công suất cao
  • 🚜 Máy móc chế biến thực phẩm, dược phẩm, cao su, nhựa

Nhờ đặc tính đóng cắt nhanh, relay này hoạt động ổn định trong các ứng dụng liên tục 24/7 mà không gây hao mòn cơ học.

Ưu điểm vượt trội

So với relay cơ truyền thống, RSDA-560-30-3D2 CII có nhiều ưu điểm đáng kể:

Tiêu chí RSDA-560-30-3D2 (SSR) Relay cơ học
Đóng cắt Không tiếp điểm Tiếp điểm vật lý
Tuổi thọ Trên 10 triệu lần < 500.000 lần
Tốc độ đáp ứng < 1ms 10–20ms
Ổn định nhiệt Cao, có tản nhiệt Thấp
Tiếng ồn 0 dB Có tiếng “click”
Nhiễu điện từ Giảm nhờ zero-cross & snubber Dễ gây nhiễu
Lắp đặt DIN rail / panel Panel
Bảo trì Không cần Cần thay định kỳ

Chính vì thế, relay RSDA-560-30-3D2 là lựa chọn đáng tin cậy cho các hệ thống cần vận hành liên tục, an toàn và bền bỉ.

Kết luận / Mua hàng

Nếu bạn đang tìm một relay bán dẫn ba pha công suất 30A – 660VAC để điều khiển tải trong tủ điện công nghiệp, máy gia nhiệt hoặc dây chuyền tự động, thì RSDA-560-30-3D2 của Continental Industries International (CII) là lựa chọn hoàn hảo.

Sản phẩm mang đến hiệu suất cao, độ bền lâu dài, khả năng cách ly an toàntương thích dễ dàng với PLC, mạch điều khiển DC trong nhiều hệ thống hiện đại.

👉 Liên hệ ngay với chúng tôi để được tư vấn kỹ thuật chi tiết, nhận báo giá tốt nhất và hỗ trợ lựa chọn relay bán dẫn phù hợp cho ứng dụng của bạn.

Quý khách đăng ký thành viên để nhận các ưu đãi hấp dẫn khi mua sản phẩm
popup

Số lượng:

Tổng tiền:

Giỏ hàng( Sản phẩm)

avatar
Xin chào
close nav
Tất cả danh mục