RM1E48AA50 là một trong các model SSR của Carlo Gavazzi, một công ty đến từ Italia, chuyên sản xuất các thiết bị điện - tự động hóa chuyên dụng như rơ le bán dẫn, cảm biến và hệ thống điều khiển.
SSR là viết tắt của Solid State Relay, hay còn gọi là rơ le bán dẫn, là loại rơ le không có tiếp điểm cơ khí. Thay vì dùng cơ cấu cơ khí như rơ le điện truyền thống, rơ le bán dẫn chỉ bao gồm các linh kiện điện tử, việc đóng ngắt mạch điện không có quá trình tiếp xú, không tạo hồ quang, không ăn mòn cơ học. Vì vậy, SSR có tuổi thọ cao hơn, không gây tiếng ồn và tiết kiệm điện năng hơn so với rơ le cơ truyền thống.

Hình ảnh RM1E48AA50

Hình ảnh RM1A40D50

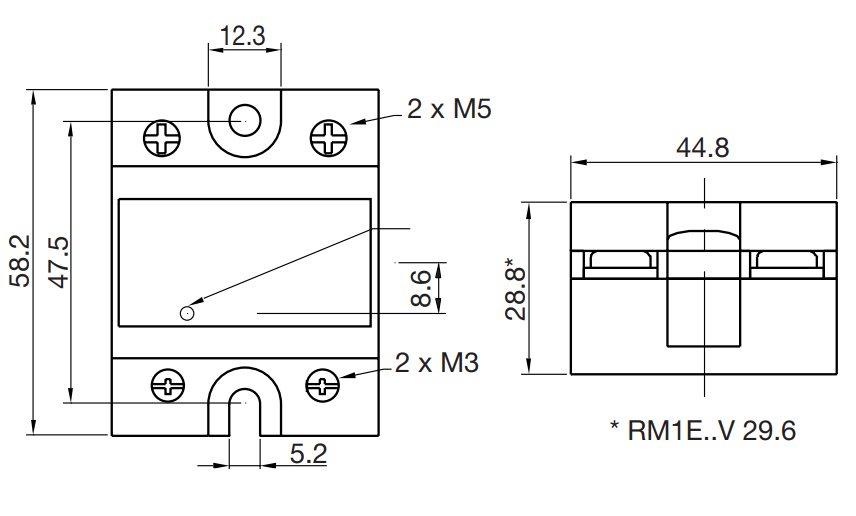
Kích thước sản phẩm.

Cách lắp đặt, Chú ý cần sử dụng keo tản nhiệt để tăng hiệu suất làm việc của thiết bị

Sơ đồ đấu nối SSR

Bảng lựa chọn dây dẫn phù hợp với sản phẩm.