Thương hiệu: JULONG
Model: JL-50 Series
Xuất xứ: Zhejiang, Trung Quốc
Ứng dụng: Máy in bao bì – Máy dán nhãn – Dây chuyền đóng gói – Máy cắt màng.
Cảm biến tương phản JULONG JL-50 là dòng cảm biến thông minh sử dụng chip PIC tích hợp, giúp nhận biết chính xác sự khác biệt màu sắc giữa nền và vạch đánh dấu (mark). Sản phẩm được sản xuất bởi JL Electronic Co., Ltd. (Zhejiang, China) – thương hiệu chuyên về cảm biến công nghiệp với độ tin cậy cao, được ứng dụng phổ biến trong máy in bao bì, máy dán nhãn, dây chuyền đóng gói và cắt màng.
Cảm biến có khả năng tự động chọn ánh sáng đỏ, xanh lá hoặc xanh dương phù hợp nhất với màu nền, giúp tăng độ chính xác nhận dạng và giảm sai lệch khi môi trường thay đổi. So với các dòng cảm biến màu truyền thống như KS-RG32, BZJ-211, GDJ-211, KS-C2 thì JL-50 vượt trội nhờ độ nhạy cao, tốc độ phản hồi nhanh và thao tác cài đặt dễ dàng.
JL-50 mang các thông số và chức năng có thể thay thế hoàn hảo cho cảm biến TL50-W của Datalogic với chi phí hợp lý hơn nhiều lần


Hình ảnh thực tế của cảm biến vạch màu JL-50

Bước 1: Gá cảm biến lên máy sao cho khoảng cách từ cảm biến đến màng bao vì tạo ra đốm sáng nhỏ nhất. Đây là vị trí tối ưu để cảm biến nhận diện sự chuyển dịch màu sắc
Bước 2: Đặt vạch đánh dấu (mark) trước điểm chiếu sáng của cảm biến và nhấn nút MARK cho đến khi đèn READY (màu xanh lục) tắt.
Cảm biến sẽ quét vạch đánh dấu bằng cách luân phiên phát ánh sáng đỏ, xanh lá và xanh dương.
Trong quá trình này không được di chuyển vạch đánh dấu.
Bước 3: Đặt nền (background) trước điểm chiếu sáng của cảm biến và nhấn nút BKGD; cảm biến sẽ quét nền bằng cách luân phiên phát ánh sáng đỏ, xanh lá và xanh dương.
Tránh di chuyển nền trong giai đoạn này.
Chế độ hoạt động DARK/LIGHT (Tối/Sáng) được cảm biến tự động lựa chọn:
Kết quả:
| Thông số | Giá trị |
|---|---|
| Nguồn cấp | DC10–24V (gợn ≤2Vpp) |
| Ngõ ra | 1 ngõ NPN + 1 ngõ PNP |
| Dòng tải tối đa | 100mA |
| Điện áp bão hòa ngõ ra | ≤2V |
| Thời gian đáp ứng | 33 μs |
| Tần số chuyển mạch | 15 kHz |
| Đèn báo | OUT LED (vàng) / READY LED (xanh) |
| Chế độ hoạt động | Tự động DARK/LIGHT |
| Khoảng cách phát hiện | 9 ±1 mm |
| Nguồn sáng phát xạ | RED (630nm) / GREEN (520nm) / BLUE (465nm) – tự động chọn |
| Nhiệt độ hoạt động | -10 ~ 55°C |
| Nhiệt độ lưu trữ | -20 ~ 70°C |
| Vật liệu vỏ | ABS, bảo vệ IP67 |
| Vật liệu thấu kính | PMMA |
| Kết nối điện | Cáp M12 4 lõi có chống nhiễu |
| Trọng lượng | 90 g |

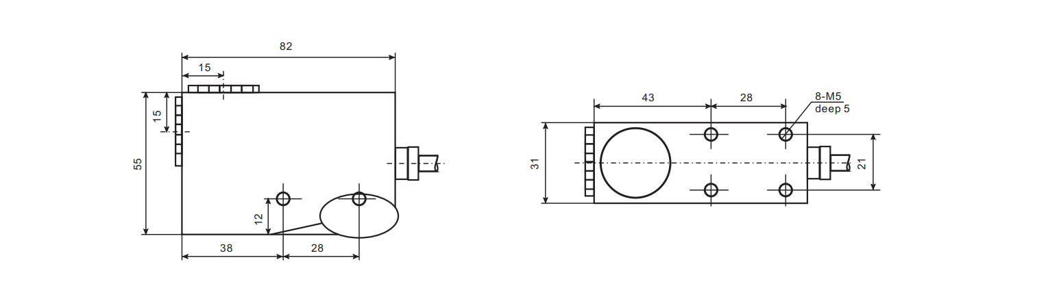
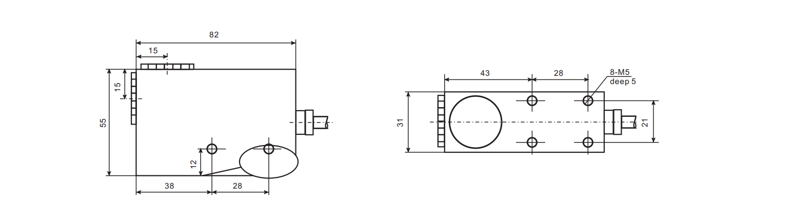
kích thước Sensor phát hiện vạch in JL-50

Sơ đồ nối dây Cảm biến tương phản JULONG JL-50
Ví dụ ứng dụng thực tế:
✅ Tích hợp vi xử lý thông minh PIC, tự động cân chỉnh ánh sáng tối ưu.
✅ Đáp ứng nhanh 33 μs, đảm bảo độ chính xác cao ở tốc độ băng tải lớn.
✅ Hai ngõ ra NPN/PNP, tương thích với hầu hết PLC và hệ thống điều khiển.
✅ Độ bền công nghiệp cao, đạt chuẩn IP67 chống bụi/nước.
✅ Cài đặt nhanh chỉ bằng 2 nút nhấn, thân thiện cho người vận hành.