Keyence FS-N11N là bộ khuếch đại cảm biến sợi quang xuất xứ Nhật Bản, đầu ra NPN, tốc độ phản hồi chỉ 50 µs, cho độ chính xác cao trong phát hiện vật thể nhỏ, đếm sản phẩm và kiểm tra vị trí trong dây chuyền tự động hóa. Có chức năng tự nhận vật (TEACH MODE)
Cảm biến sợi quang Keyence FS-N11N là bộ khuếch đại sợi quang loại cáp, đầu ra NPN, thuộc dòng FS-N Series nổi tiếng của Keyence – Nhật Bản. Thiết bị được thiết kế nhỏ gọn, phản hồi siêu nhanh, phù hợp cho các ứng dụng phát hiện vật thể nhỏ, phát hiện vị trí, kiểm tra biên, đếm sản phẩm… trong các dây chuyền tự động hóa công nghiệp. Sở hữu 2 màn hình PV và SV độc lập khiến việc cài đặt và theo dõi trở nên thuận tiện và dễ dàng. Chức năng TEACH (Tự nhận diện) giúp việc setting không thể đơn giản hơn.
FS-N11N hỗ trợ nhiều chế độ phản hồi tốc độ cao, đảm bảo độ ổn định và chính xác trong mọi môi trường, đặc biệt trong ngành đóng gói, lắp ráp linh kiện điện tử, cơ khí chính xác.

Hình ảnh thực tế của Cảm biến sợi quang Keyence FS-N11N
| Thông số | Giá trị |
|---|---|
| Model | FS-N11N |
| Loại | Bộ khuếch đại sợi quang tiêu chuẩn (1 đầu ra) |
| Kiểu đấu nối | Cáp 2m |
| Đầu ra điều khiển | NPN open collector 24VDC, tối đa 100 mA (đơn lẻ) |
| Nguồn cấp | 12 – 24 VDC ±10%, Ripple ≤10% |
| Dòng tiêu thụ | 36 mA (24V) / 48 mA (12V) ở chế độ thường |
| Thời gian đáp ứng | 50 µs (HIGH SPEED), 250 µs (FINE), 500 µs (TURBO), 1 ms (SUPER), 4 ms (ULTRA), 16 ms (MEGA) |
| Nguồn sáng | LED đỏ 4 phần tử |
| Khả năng chống nhiễu | Tối đa 8 module ghép nối khi ở chế độ TURBO trở lên |
| Số lượng module mở rộng | Tối đa 16 module ghép nối |
| Nhiệt độ môi trường | -20 đến +55°C (Không đóng băng) |
| Độ ẩm môi trường | 35 – 85%RH (Không ngưng tụ) |
| Chống rung | 10–55Hz, biên độ kép 1.5mm (2h mỗi trục X,Y,Z) |
| Chống sốc | 500 m/s², 3 lần mỗi trục X,Y,Z |
| Vật liệu vỏ | Polycarbonate |
| Khối lượng | Khoảng 75g |
| Xuất xứ | Keyence Corporation – Nhật Bản |


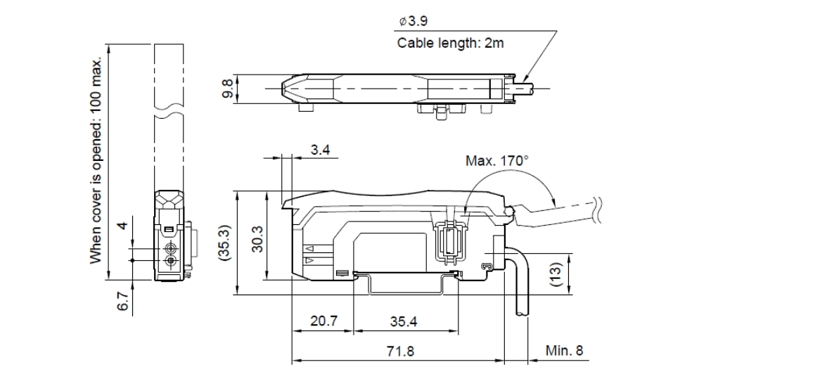
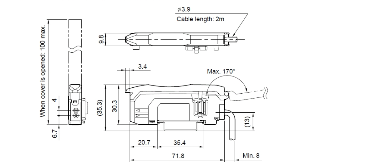
Bản vẽ kích thước bộ khuếch đại sợi quang Keyence FS-N11N
⚙️ Tốc độ phản hồi siêu nhanh chỉ 50 µs, phù hợp phát hiện vật thể chuyển động tốc độ cao.
💡 Đèn LED 4 phần tử cho tín hiệu ổn định, ít nhiễu ánh sáng môi trường.
🔗 Kết nối mở rộng tối đa 16 module, linh hoạt trong hệ thống nhiều điểm đo.
🌡️ Chịu nhiệt và chống rung tốt, hoạt động ổn định trong môi trường công nghiệp.
🔧 Thiết kế nhỏ gọn, dễ lắp DIN rail, thuận tiện bảo trì và thay thế.
Ứng dụng phổ biến:
✅ Phản hồi nhanh – chính xác tuyệt đối
✅ Tiết kiệm năng lượng với chế độ ECO thông minh
✅ Dễ mở rộng – phù hợp cả hệ thống đơn lẻ hoặc đa điểm
✅ Thiết kế chuẩn công nghiệp Nhật Bản – độ bền cao
✅ Tương thích tốt với nhiều đầu sợi quang của Keyence (FU series)