Bộ khuếch đại cảm biến sợi quang Azbil HPX-EG00-1S – sản xuất tại Nhật Bản, thuộc dòng Easy Grade của Azbil. Thiết bị có độ nhạy cao, tốc độ phản hồi nhanh 250µs–1ms, sử dụng nguồn 12–24VDC, ngõ ra NPN, cho phép điều chỉnh ngưỡng ánh sáng và tự động cân chỉnh STA giúp phát hiện ổn định trong môi trường công nghiệp. Phù hợp cho phát hiện vật nhỏ, bề mặt kính, hoặc chất lỏng trong dây chuyền sản xuất.
 
													 
													 
													 
													 
													Bộ khuếch đại cảm biến sợi quang Azbil HPX-EG00-1S thuộc dòng Easy Grade (HPX-EG Series), được thiết kế để mang lại khả năng phát hiện chính xác, thao tác đơn giản và ổn định lâu dài.
Thiết bị sử dụng công nghệ STA (Self Threshold Adjustment) tự động hiệu chỉnh ngưỡng ánh sáng, đảm bảo cảm biến hoạt động ổn định ngay cả khi môi trường thay đổi.
HPX-EG00-1S là model tiêu chuẩn khoảng cách, ngõ ra NPN, nguồn cấp 12–24VDC, được sử dụng rộng rãi trong các hệ thống tự động hóa, máy lắp ráp, và dây chuyền kiểm tra sản phẩm.

Hình ảnh thực tế bộ khuếch đại quang HPX-EG00-1S
| Thông số | Giá trị / Mô tả | 
|---|---|
| Model | HPX-EG00-1S | 
| Thương hiệu / Xuất xứ | Azbil Corporation / Nhật Bản | 
| Nguồn cấp | 12–24VDC ±10% | 
| Dòng tiêu thụ | 30 mA (24VDC) | 
| Ngõ ra điều khiển | NPN open collector, 100 mA max | 
| Thời gian đáp ứng | 250 µs (Fast) / 500 µs (Semi-fast) / 1 ms (Normal) | 
| Đèn phát | LED đỏ 4 thành phần, 635 nm | 
| Chức năng đặc biệt | Auto-tuning, STA (tự động cân chỉnh ngưỡng), chống nhiễu ánh sáng | 
| Nhiệt độ hoạt động | -20 đến +55°C | 
| Cấp bảo vệ | IP40 | 
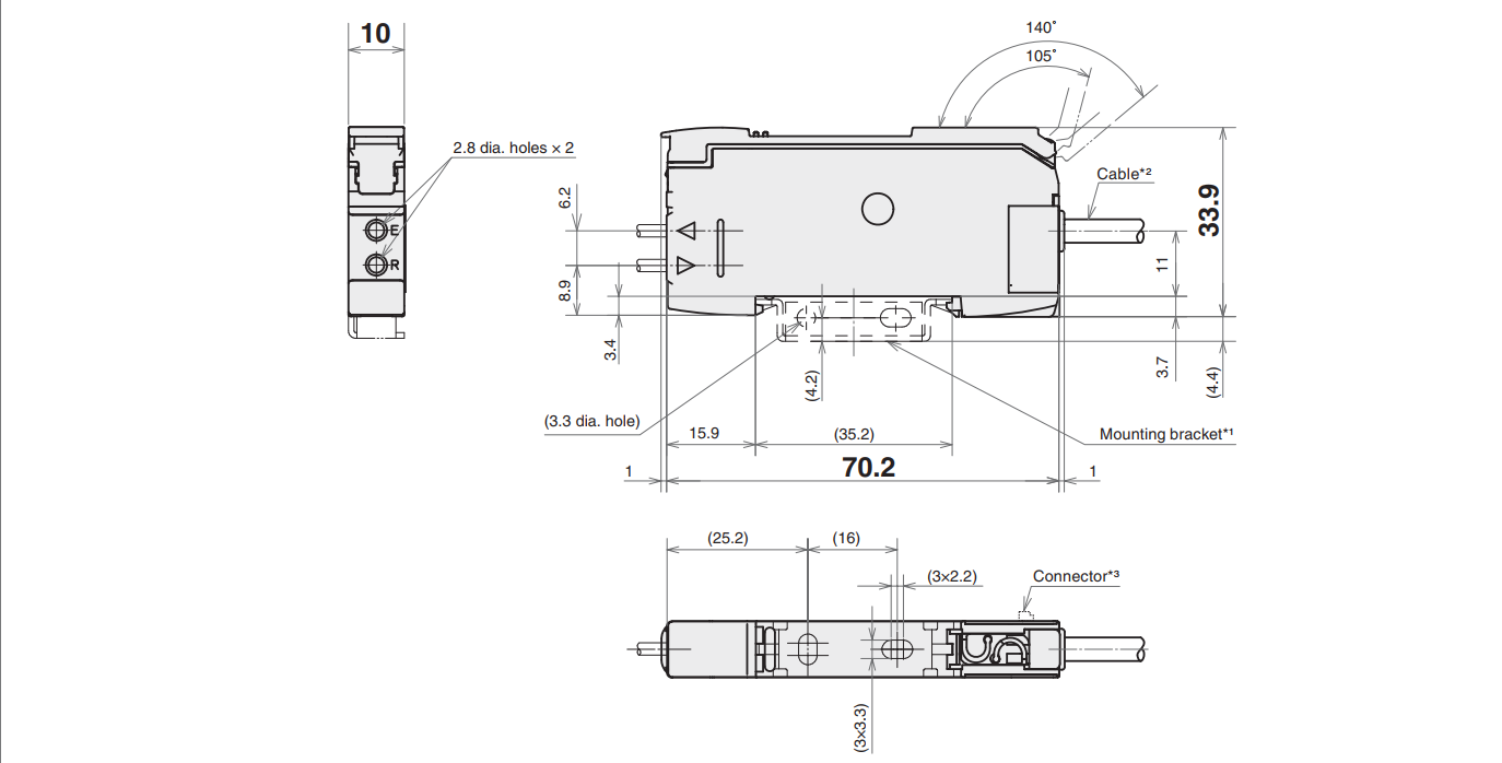
| Kích thước / Trọng lượng | 70.2 × 10 × 33.9 mm / ~45 g | 
| Tiêu chuẩn | CE, UL | 

Giải thích các nút và đèn chỉ thị:

Kích thước Azbill HPX-EG00-1S

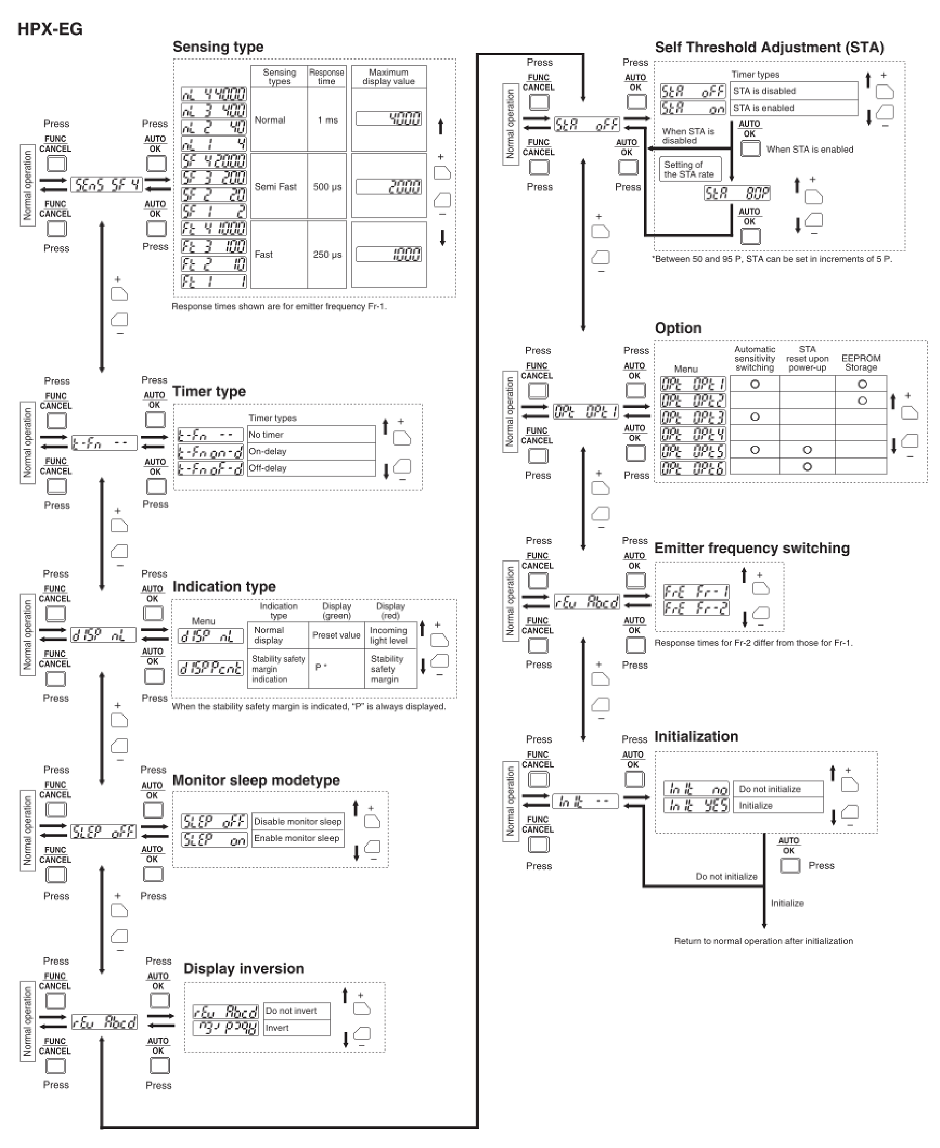
Hướng dẫn cài đặt chức năng chính HPX-EG00-1S

Cách đấu dây cảm biến NPN