Bộ điều khiển SCR AOYI ZKD-3A, ZKG-3A, ZKE-2A là dòng sản phẩm cao cấp đến từ AOYI Electric (Trung Quốc), chuyên dùng để điều chỉnh điện áp xoay chiều 220V AC thông qua khống chế góc mở thyristor kép SCR. Thiết bị cho phép điều khiển chính xác điện áp đầu ra 0–220V, phù hợp với máy ép nhựa, máy gia nhiệt, máy thổi khuôn, thiết bị đóng gói và nhiều hệ thống công nghiệp tự động hóa cần điều chỉnh công suất ổn định, bền bỉ.
Dùng phổ biến với dòng SKKT Semikron
 
													 
													 
													 
													 
													Dòng thiết bị điều chỉnh điện áp AOYI ZK-Series (gồm ZKD-3A, ZKG-3A, ZKE-2A) là các bộ điều chỉnh điện áp xoay chiều sử dụng kỹ thuật điều khiển góc mở pha SCR (Silicon Controlled Rectifier).
Nhờ đó, điện áp đầu ra có thể được điều chỉnh tuyến tính và chính xác, đảm bảo công suất ổn định cho các tải điện trở hoặc tải cảm trong môi trường công nghiệp.
Sản phẩm được thiết kế dạng gắn tủ (panel mount), dễ lắp đặt, có màn hình hiển thị điện áp, nút tinh chỉnh độ nhạy, và mạch bảo vệ quá tải – nhiễu điện tích hợp.
Kết hợp với các bộ SCR SKKT cho phép chịu tải tới 1500A
| Thông số | ZKD-3A | ZKG-3A | ZKE-2A | 
|---|---|---|---|
| Điện áp đầu vào | AC 220V ±15% 50/60Hz | ||
| Dải điều chỉnh điện áp | 0–220V AC (liên tục) | ||
| Kiểu điều khiển | SCR điều khiển pha | ||
| Hiển thị | LED hiển thị + núm điều chỉnh | ||
| Kích thước panel | 72×72 mm | 48x48 mm | 48×96 mm | 
| Nhiệt độ hoạt động | –5…40 °C | ||
| Độ ẩm cho phép | ≤85% RH | ||
| Hãng sản xuất | AOYI Electric | ||
| Xuất xứ | Trung Quốc | ||



Hình ảnh thực tế và sơ đồ đấu nối ZKG-3A



Hình ảnh thực tế và sơ đồ đấu nối ZKE-3A


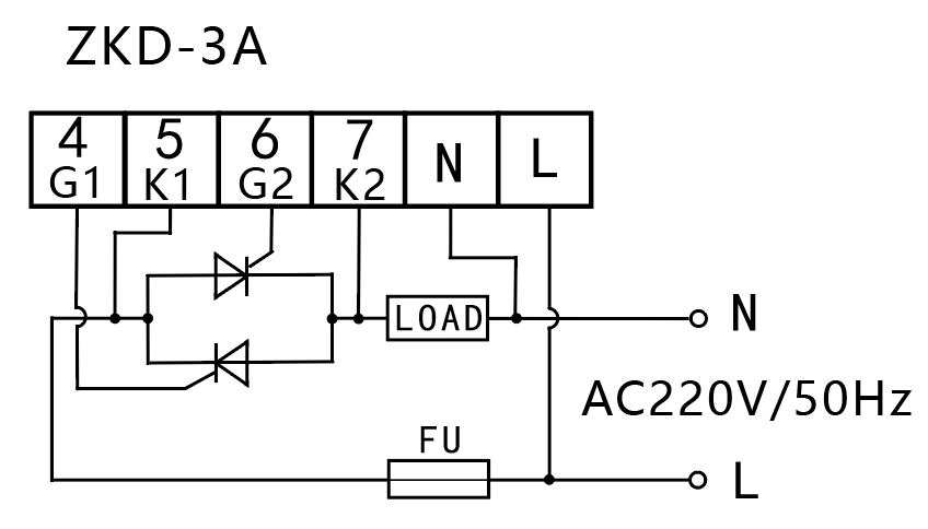
Hình ảnh thực tế và sơ đồ đấu nối của ZKD-3A
✅ Điều khiển chính xác – ổn định cao: Công nghệ SCR điều khiển pha cho phép đáp ứng nhanh, giữ điện áp ổn định ±1%.
✅ Thiết kế công nghiệp – dễ lắp tủ: Kích thước tiêu chuẩn 48x48, 72×72 mm hoặc 48×96 mm, tương thích hầu hết panel điều khiển.
✅ Độ bền cao – bảo vệ tốt: Mạch lọc nhiễu, chống quá tải, tự ngắt khi nhiệt độ vượt ngưỡng.