JK3826SF-R – Bộ điều chỉnh công suất SCR đơn pha thương hiệu JAKI (xuất xứ Đài Loan). Thiết bị giúp điều khiển công suất chính xác, tích hợp bảo vệ quá nhiệt, cảnh báo cầu chì, quạt thông minh và đa dạng tín hiệu điều khiển, là lựa chọn lý tưởng cho hệ thống gia nhiệt và điều khiển tự động công nghiệp.
380V 26A điều khiển tuyến tính 4~20mA
JK3826SF-R là bộ điều chỉnh công suất SCR đơn pha (Single Phase SCR Power Regulator) do JAKI sản xuất, nổi tiếng với độ ổn định cao và khả năng điều khiển chính xác. Sản phẩm được thiết kế chuyên dụng cho các ứng dụng tải điện trở hoặc cảm ứng, giúp kiểm soát công suất đầu ra theo tín hiệu điều khiển 4–20mA, 0–5V, 1–5V, 0–10V, 2–10V.
JK3826SF-R đặc biệt phù hợp cho hệ thống gia nhiệt công nghiệp, lò sấy, thiết bị hàn, máy ép nhiệt, và máy đóng gói – nơi yêu cầu điều khiển nhiệt độ và công suất ổn định, phản hồi nhanh.


Hình ảnh thực tế bộ điều khiển công suất điện trở 1P JAKI JK3826SF-R
| Thông số | Giá trị / Mô tả |
|---|---|
| Nguồn chính (Main power) | 220VAC hoặc 380VAC ±10% |
| Nguồn phụ (Auxiliary voltage) | 220VAC ±10% |
| Dòng định mức (Rated current) | 26A |
| Tần số làm việc (Frequency) | 50–60Hz (Tự động nhận dạng) |
| Dạng đầu ra (Output type) | Điều khiển góc pha (Angle Phase) |
| Dải điện áp đầu ra | 0–100% |
| Tín hiệu điều khiển đầu vào | 4–20mA, 0–5V, 1–5V, 0–10V, 2–10V |
| Nhiệt độ làm việc | -10°C đến 50°C |
| Độ ẩm môi trường | Dưới 90% RH, không ngưng tụ |
| Bảo vệ quá nhiệt | Có (tự ngắt khi tản nhiệt đạt 55°C) |
| Tản nhiệt & quạt làm mát | Quạt hoạt động ở 55°C, dừng ở 45°C, giúp tăng tuổi thọ quạt 2–3 lần |
| Chức năng bảo vệ cầu chì | Cảnh báo khi cầu chì pha R bị đứt (LED F_L báo sáng) |
| Cổng cảnh báo sự cố | COM/NO – ngắt khi lỗi quá nhiệt hoặc đứt cầu chì |


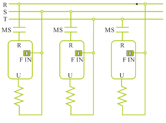
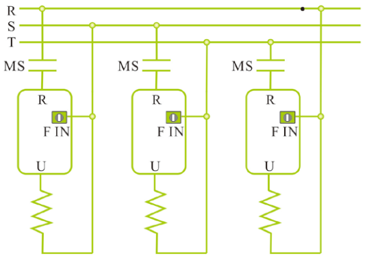
Sơ đồ đấu nối mạch điều khiển, cách ghép nối 3P cho bộ điều khiển SCR JAKI JK3826SF-R
🔹 Điều khiển công suất chính xác
🔹 Bảo vệ toàn diện
🔹 Ứng dụng thực tế
| Tiêu chí | JK3826SF-R JAKI | Bộ điều chỉnh công suất thông thường |
|---|---|---|
| Tín hiệu điều khiển | Đa dạng (4–20mA, 0–10V, 1–5V...) | Giới hạn 1–2 loại tín hiệu |
| Bảo vệ quá nhiệt & quạt thông minh | Có, tự kích hoạt ở 55°C | Không có hoặc điều khiển thủ công |
| Cảnh báo cầu chì pha R | Có LED và đầu ra báo lỗi | Không hỗ trợ |
| Độ chính xác điều khiển | Cao, phản hồi nhanh | Thường chậm hơn |
| Tuổi thọ linh kiện | Cao hơn 2–3 lần nhờ quạt tự động | Dễ giảm tuổi thọ khi làm việc liên tục |

Soft Start (Khởi động mềm):
Núm chỉnh thời gian tăng công suất đầu ra.
Áp dụng cho các model:
JK2242SF, JK2256SF, JK2272SF / JK3842SF, JK3856SF, JK3872SF.
(Với JK2226SF / JK3826SF, thông số này được thiết lập sẵn bên trong).
MAX ADJ (Điều chỉnh công suất tối đa):
Núm điều chỉnh giới hạn công suất đầu ra tối đa (0–100%).
Xoay từ trái sang phải để tăng dần giới hạn.
| LED | Trạng thái hiển thị | Ý nghĩa |
|---|---|---|
| Power | Sáng liên tục | Có nguồn cấp 220VAC |
| Run | Sáng hoặc nhấp nháy theo mức đầu ra | SCR đang hoạt động |
| F_L | Sáng | Cầu chì pha R bị đứt |
| Error (2 lần nhấp nháy) | Lỗi cầu chì hoặc mất nguồn | |
| Error (3 lần nhấp nháy) | Lỗi quá nhiệt |