Dòng PLC CQM1H-CPU51 là một trong những sản phẩm của hãng Omron, được thiết kế dạng modular để điều khiển và giám sát các quy trình tự động trong các ứng dụng công nghiệp.
PLC CQM1H-CPU51 được trang bị bộ xử lý 32-bit, tốc độ xử lý nhanh và độ chính xác cao. Nó cũng có khả năng kết nối mạng và giao tiếp thông qua card truyền thông CQM1H-SCB41, bao gồm RS-232C, RS-422A/485.
Với 40 chân đầu vào và 32 chân đầu ra, PLC CQM1H-CPU51 có khả năng kiểm soát một loạt các tín hiệu đầu vào và đầu ra, từ tín hiệu kỹ thuật số đến tín hiệu analog. Nó cũng hỗ trợ các chức năng bảo vệ bằng mật khẩu và kiểm soát truy cập để đảm bảo an toàn và bảo mật của hệ thống.
PLC CQM1H-CPU51 được sử dụng rộng rãi trong các ngành công nghiệp, như sản xuất, sản xuất ô tô, sản xuất dược phẩm và thực phẩm và đồ uống. Nó được đánh giá cao về tính ổn định, độ tin cậy và hiệu suất, và có thể được tích hợp vào hệ thống điều khiển tự động của bạn để đạt được sự kiểm soát chính xác và tối ưu hóa quy trình sản xuất.
Bộ kit CQM1H-CPU51 được cung cấp theo gói cơ bản nhất, không chỉ đáp ứng việc học tập, làm quen với việc lập trình, mà còn có khả năng điều khiển các ứng dụng thực tế. Bộ kit bao gồm:
Ngoài ra, tudonghoaAz còn cung cấp gói mở rộng đầu vào ra sẵn có, bao gồm:
Chú ý:
Đối với các module đầu vào ra ID213 và OD216, nhà cung cấp đã có sẵn gói phụ kiện kết nối bao gồm cable với độ dài 50cm (XW2Z-50K) và khối cầu I/O
Nếu quý khách hàng có nhu cầu khác về độ dài cable, xin vui lòng liên hệ trực tiếp để được tư vấn cụ thể.
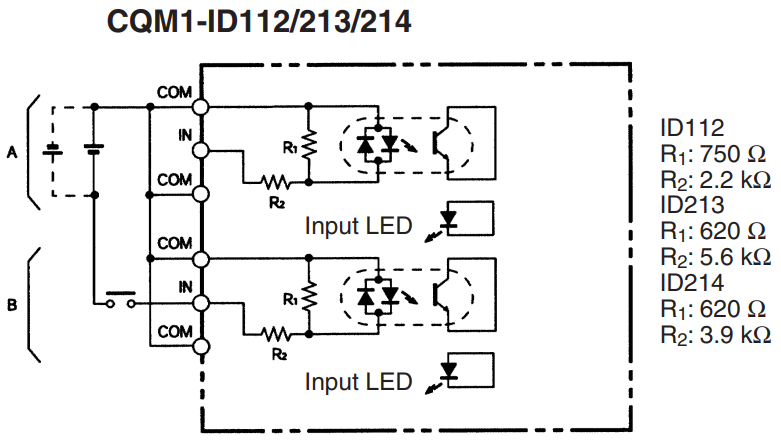
OMRON CQM1-ID213 Module mở rộng ngõ vào 32DI (32 Digital input module)

Sơ đồ đấu nối Module CQM1-ID213.
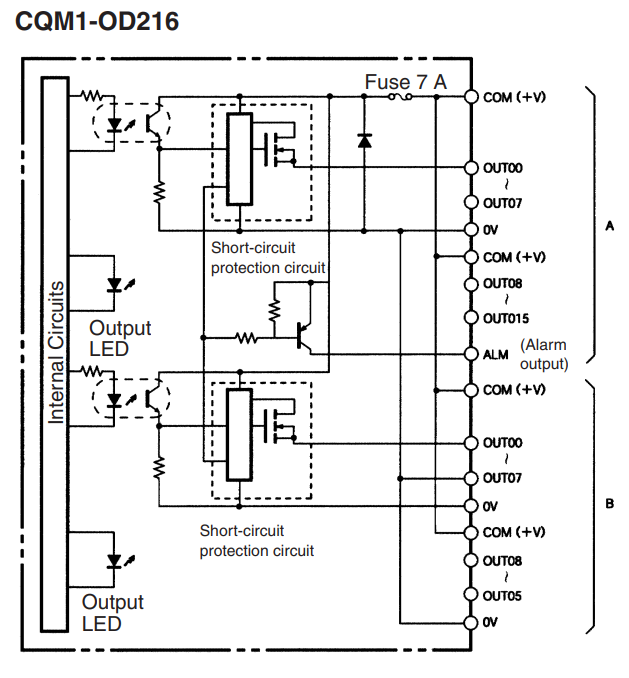
OMRON CQM1-OD216 Module mở rộng ngõ ra 32DO (32 Transistor output module)

Sơ đồ kết nối module CQM1-OD216.