logo Tự động hóa Az

Mô-đun đầu vào CC-Link Mitsubishi AJ65SBTB1-32D

Nhà cung cấp: Tự động hóa Az ✅
Mã sản phẩm: AJ65SBTB1-32D
Tình trạng: Còn hàng
Liên hệ

Mô-đun đầu vào CC-Link Mitsubishi AJ65SBTB1-32D có 32 kênh ngõ vào DC24V, sử dụng phương thức cách ly quang (photocoupler) cho độ tin cậy cao. Thiết bị hỗ trợ nguồn dương (sink) và nguồn âm (source), phù hợp cho các hệ thống PLC, CC-Link, dây chuyền sản xuất và máy móc công nghiệp.

Grow - Brilliant Together
Dịch vụ
Miễn phí vận chuyển nội thành
Dịch vụ
Vận chuyển thần tốc trong 2h làm việc
Dịch vụ
Đổi mới ngày đầu 1 đổi 1 nếu lỗi kỹ thuật
Dịch vụ
Đổi trả và bảo hành nhanh chóng
Dịch vụ
Tổng đài kỹ thuật Chat Zalo: 0902 176 098 hỗ trợ miễn phí

Mô-đun đầu vào CC-Link Mitsubishi AJ65SBTB1-32D

Mô-đun đầu vào CC-Link Mitsubishi AJ65SBTB1-32D là thiết bị thu nhận tín hiệu từ các cảm biến, công tắc hoặc thiết bị điều khiển trong hệ thống mạng CC-Link. Với thiết kế 32 kênh đầu vào DC24V và khả năng cách ly quang học, sản phẩm đảm bảo độ ổn định, an toàn và tốc độ phản hồi cao trong môi trường công nghiệp hiện đại.

Giới thiệu chung

Mitsubishi AJ65SBTB1-32D là mô-đun đầu vào dòng CC-Link, chuyên dùng để thu tín hiệu logic DC24V từ các thiết bị ngoại vi như cảm biến, công tắc hành trình, công tắc áp suất... Mô-đun này hỗ trợ cả hai dạng kết nối sink (nguồn dương)source (nguồn âm), giúp linh hoạt trong cấu hình hệ thống. Với khả năng kết nối nhanh và ổn định, AJ65SBTB1-32D được ứng dụng rộng rãi trong dây chuyền sản xuất tự động, PLC Mitsubishi và hệ thống giám sát công nghiệp.

Hình ảnh thực tế mô-đun đầu vào CC-Link Mitsubishi AJ65SBTB1-32D - góc nhìn tổng thể Hình ảnh chi tiết mô-đun đầu vào CC-Link Mitsubishi AJ65SBTB1-32D - cổng kết nối và terminal
Hình ảnh thực tế của mô-đun đầu vào Mitsubishi AJ65SBTB1-32D

Thông số kỹ thuật

Thông số Giá trị
Số điểm đầu vào 32 điểm
Điện áp định mức DC24V
Dòng đầu vào định mức Khoảng 7mA
Dải điện áp hoạt động 19.2 đến 26.4VDC (ripple ≤5%)
Điện trở đầu vào Khoảng 3.3kΩ
ON voltage / ON current ≥14VDC / ≥3.5mA
OFF voltage / OFF current ≤6VDC / ≤1.7mA
Phương pháp cách ly Photocoupler
Thời gian đáp ứng OFF→ON ≤ 1.5ms, ON→OFF ≤ 1.5ms
Phương pháp đấu dây 32 điểm chung (sink/source)
Số trạm chiếm dụng 32 điểm/trạm (32 points used)
Nguồn cấp mô-đun DC24V (20.4–26.4VDC, ripple ≤5%)
Dòng tiêu thụ Khoảng 45mA (khi toàn bộ điểm ON)
Khả năng chống nhiễu 500Vp-p, 25–60Hz
Điện áp chịu đựng 500VAC trong 1 phút giữa các mạch DC và đất
Điện trở cách ly ≥10MΩ (500VDC)
Mức bảo vệ IP2X
Khối lượng Khoảng 0.26 kg
Gắn DIN rail TH35-7.5Fe, TH35-7.5Al

Bản vẽ kích thước

Bản vẽ kích thước mô-đun Mitsubishi AJ65SBTB1-32D - hình 1
Bản vẽ kích thước chi tiết của mô-đun đầu vào Mitsubishi AJ65SBTB1-32D

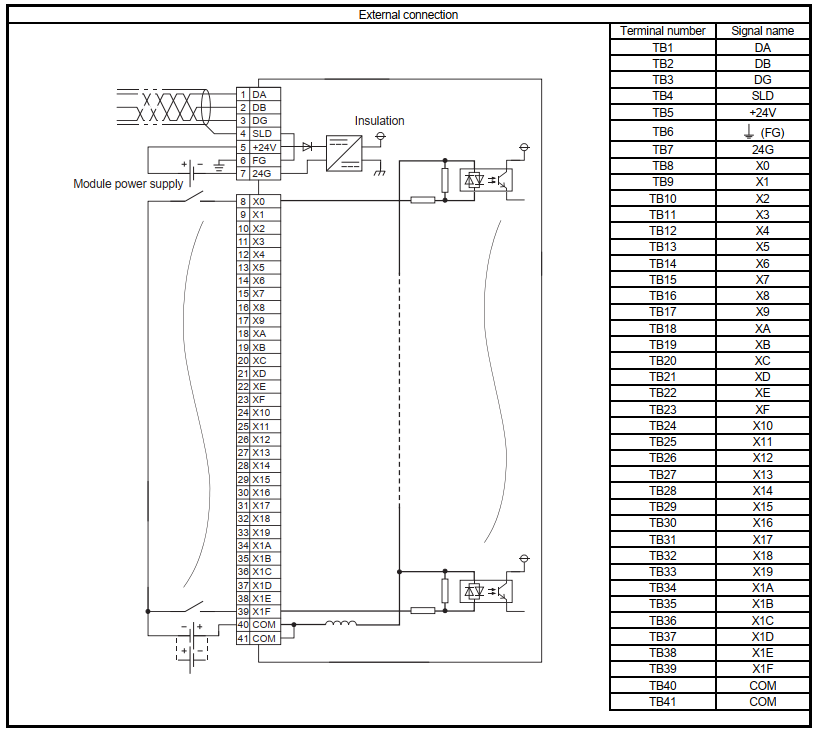
Sơ đồ đấu nối

Sơ đồ đấu nối mô-đun Mitsubishi AJ65SBTB1-32D - ví dụ 1
Sơ đồ đấu nối mô-đun đầu vào AJ65SBTB1-32D trong hệ thống CC-Link

Chức năng

AJ65SBTB1-32D đảm nhận chức năng nhận tín hiệu điều khiển và chuyển đổi sang dữ liệu số để truyền qua mạng CC-Link đến PLC trung tâm. Mô-đun hỗ trợ tín hiệu dương và âm (sink/source) giúp linh hoạt khi kết nối với cảm biến NPN hoặc PNP. Nhờ sử dụng phương thức cách ly quang học, sản phẩm hạn chế nhiễu và bảo vệ thiết bị điều khiển khỏi xung điện áp hoặc dòng rò.

Ứng dụng nổi bật

  • Thu tín hiệu từ cảm biến, công tắc hành trình trong dây chuyền sản xuất
  • Kết nối với PLC Mitsubishi qua mạng CC-Link
  • Sử dụng trong máy móc đóng gói, lắp ráp, dây chuyền SMT
  • Ứng dụng trong các hệ thống tự động hóa, giám sát và điều khiển công nghiệp

Ưu điểm vượt trội

Mitsubishi AJ65SBTB1-32D có thiết kế nhỏ gọn, giúp tiết kiệm diện tích tủ điện, dễ lắp đặt và bảo trì. Cấu hình linh hoạt cho phép sử dụng trong nhiều loại thiết bị công nghiệp khác nhau. Độ bền cơ học và khả năng chịu nhiễu cao giúp mô-đun hoạt động ổn định trong điều kiện công nghiệp khắc nghiệt.

Kết luận / Mua hàng

Nếu bạn cần một mô-đun đầu vào ổn định, tốc độ cao và dễ tích hợp cho hệ thống CC-Link, Mitsubishi AJ65SBTB1-32D là lựa chọn đáng tin cậy. Liên hệ ngay để nhận báo giá tốt nhất và được tư vấn kỹ thuật miễn phí từ chuyên gia tự động hóa.

Quý khách đăng ký thành viên để nhận các ưu đãi hấp dẫn khi mua sản phẩm
popup

Số lượng:

Tổng tiền:

Giỏ hàng( Sản phẩm)

avatar
Xin chào
close nav
Tất cả danh mục