Thương hiệu: OMRON
Nguồn tổ ong có khả năng chống nhiễu tốt với bộ lọc chất lượng cao
Tính năng lọc sóng hài từ các bo điều khiển hoặc biến tần lên đến hàng chục kHz, khử nhiễu tốt, tăng tính ổn định cho mạch điều khiển
Chịu được điện áp đầu vào tối đa đến 300VAC
Chịu được điện áp xung đột biến lên đến 1.5 lần
Vỏ hợp kim nhôm kết hợp tổ ong được làm bằng thép không gỉ mang đến độ bền trên 3 năm, tản nhiệt cực tốt.
Các chi tiết được hoàn thiện tỉ mỉ, bề mặt được làm bóng giúp gia tăng khả năng chống bám bụi.
Chip nguồn và tụ được sản xuất riêng bởi OMRON giúp tăng tuổi thọ của thiết bị
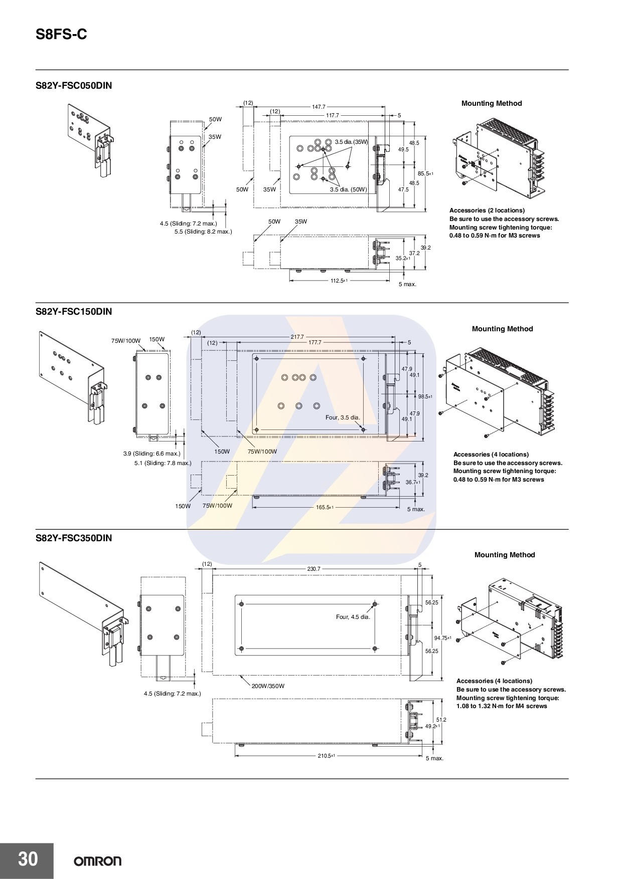
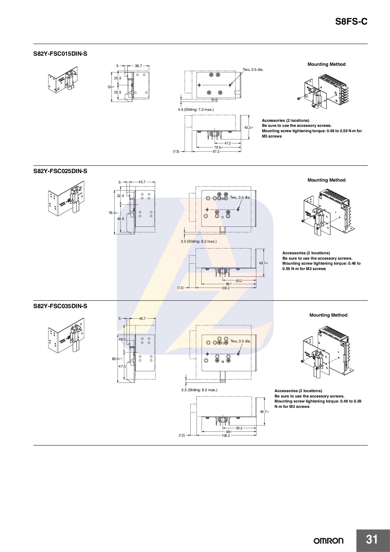
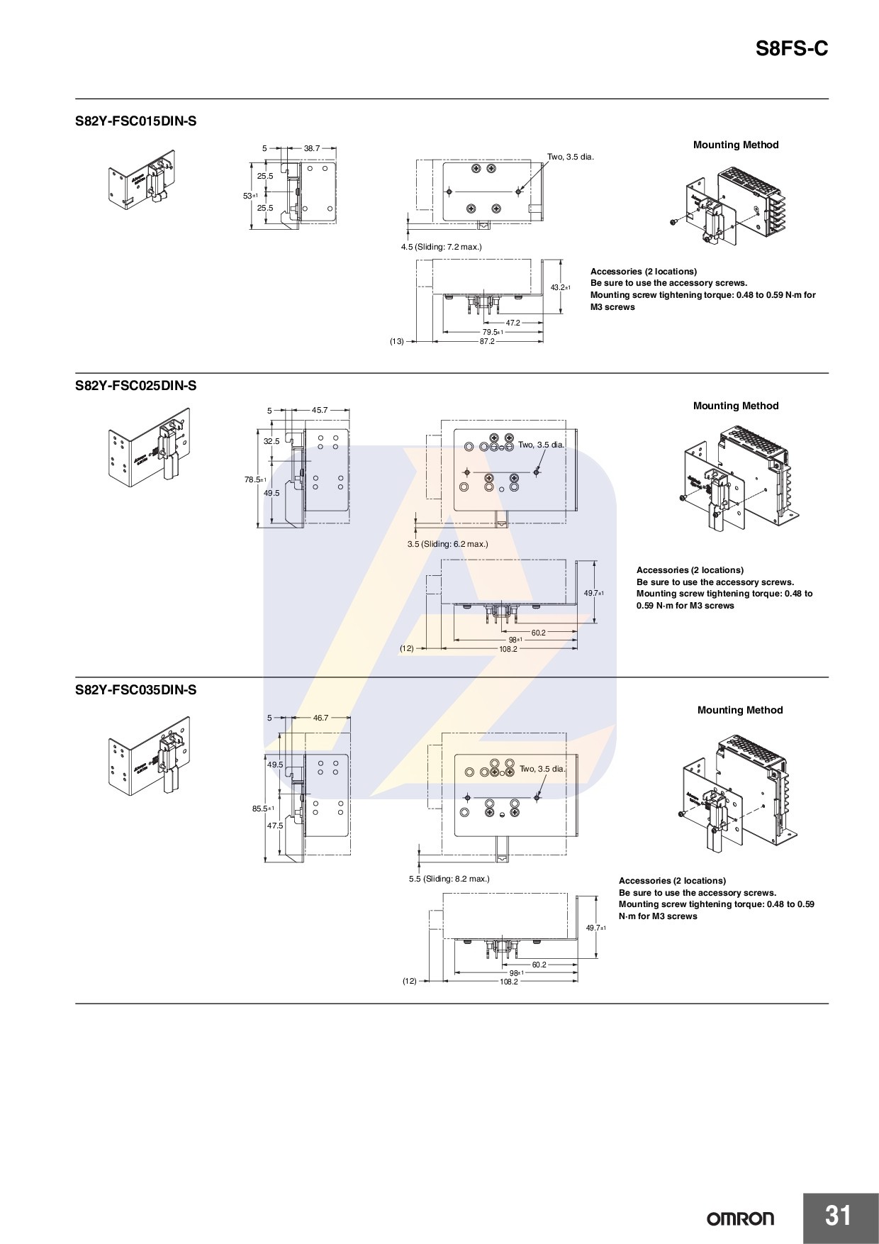
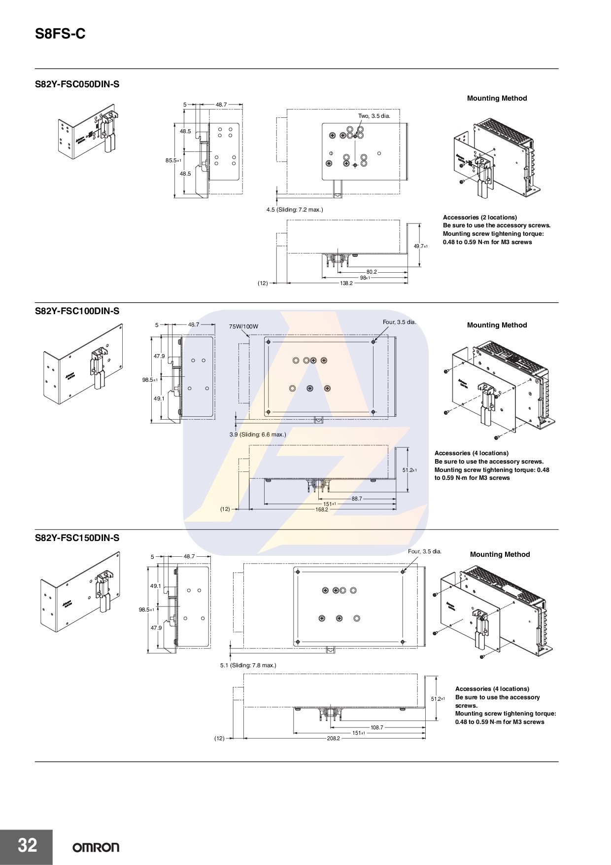
Có nhiều option lựa chọn cho từng nhu cầu, chủ yếu gồm 3 kiểu
An toàn - Hiệu quả - Chất trong tầm giá !





























