Thương hiệu: OMRON
													
													
													
													
													Dòng nguồn chuyển đổi điện DC tiết kiệm chi phí, an toàn, đáp ứng tiêu chuẩn chung trên toàn thế giới
Đầu vào dải rộng: 100~240VAC (85~264VAC)
Khoảng cách lắp đặt tối thiểu giữa các thiết bị 20 mm để đảm bảo tản nhiệt tốt trong quá trình sử dụng
Có khả năng bảo vệ ngắn mạch đầu ra và quá dòng. Tuy nhiên các bộ phận bên trong có thể bị xuống cấp hoặc hư hỏng nếu tình trạng diễn ra trong thời gian dài hoạt động.
Không sử dụng nguồn cho các ứng dụng có dòng khởi động cao như động cơ DC, hoặc các ứng dụng có điện áp xung ngược khi ngắt tải.
Khi xả ra quá tải, đèn LED xanh lá DC ON sẽ nhấp nháy
Trong trường hợp không có điện áp đầu ra, cần kiểm tra

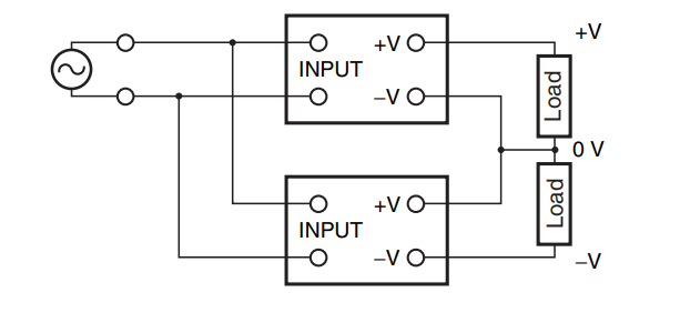
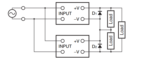
Dòng nguồn DC S8VK của OMRON có khả năng ghép nối, giúp tăng gấp đôi điện áp đầu ra, công suất hệ thống sẽ bằng công suất của nguồn nhỏ nhất.
Ví dụ:
Tuy nhiên việc đấu nối này cần lưu ý vài điểm sau

Cần lắp thêm diode để bảo vệ điện áp ngược làm hư hại nguồn điện trong trường hợp ngắn mạch đầu ra
Diode đề nghị: Vrrm gấp 2 lần V-out | IF gấp 2 lần I-out
Phương pháp ghép nối này còn tạo được hệ thống nguồn đối xứng điện áp, sử dụng trong các mạch vi sai, hoặc hệ thống đo lường.

