Nguồn DC 3 đầu ra 5V-3A | 12V-1A | 24V-1A.
Sản phẩm được dùng trong công nghiệp vì có độ bền và hiệu suất hoạt động cao lên đến 80%.
Công suất 50W
Thông số kỹ thuật
| ĐẦU RA | Điện áp đầu ra | 5v | 12V | 24V |
| Dòng tải đầu ra | 3A | 1A | 1A | |
| Dải dòng đầu ra | 0.5~7A | 0.2~1A | 0~1A | |
| Điện áp điều chỉnh đầu ra | 4.75~5.5V | Cố định | Cố định | |
| ĐẦU VÀO | Điện áp đầu vào |
85 ~ 264 VAC 120 ~ 370VDC |
||
|
Hiệu suất hoạt động |
72% | |||
| Dòng tiêu thụ đầu vào |
2A 115VAC 1A 230VAC |
|||
| BẢO VỆ | Bảo vệ quá tải |
105 ~ 150% tải định mức |
||
| Bảo vệ quá áp | 5V | 5.75 ~ 6.75V | |||
| Nhiệt độ hoạt đồng | Max 60°C | |||
| Làm mát | Tản nhiệt khí đối lưu | |||
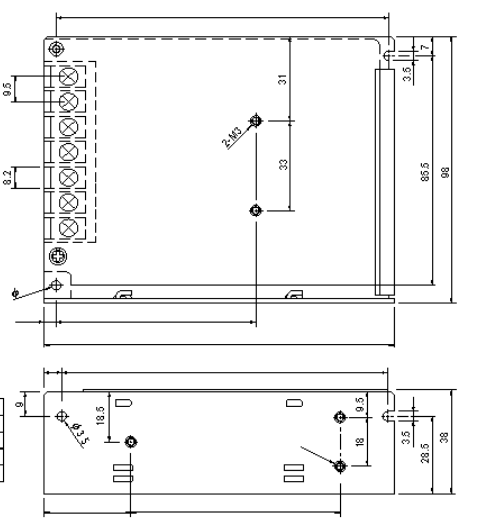
Kích thước nguồn NET-50D

Kích thước nguồn 3 đầu ra meanwell NET-50D