Cảm biến quang Omron Z3J-DS50E3 là dòng cảm biến khuếch tán phát hiện vật thể trong khoảng 50 cm, thiết kế nhỏ gọn, độ bền cao, thích hợp cho các dây chuyền đóng gói và lắp ráp công nghiệp.
Z3J-DS50E3 là dòng cảm biến quang khuếch tán (Diffuse Reflective) do Julong sản xuất, được thiết kế để phát hiện vật thể ở khoảng cách tối đa 50 cm mà không cần gương phản xạ.
Sản phẩm nổi bật nhờ độ nhạy cao, độ ổn định vượt trội và thiết kế bền bỉ, phù hợp với nhiều ứng dụng công nghiệp như máy đóng gói, băng tải, máy dán nhãn, máy phân loại sản phẩm...

| Thông số | Giá trị |
|---|---|
| Model | Z3J-DS50E3 |
| Hãng sản xuất | Julong |
| Loại cảm biến | Khuếch tán – Diffuse Reflective |
| Khoảng cách phát hiện | 50 cm (vật phản xạ tiêu chuẩn 300×300mm, màu trắng) |
| Nguồn cấp | 12–24 VDC ±10% |
| Ngõ ra điều khiển | NPN – NO và NC |
| Thời gian đáp ứng | ≤ 1 ms |
| Vật liệu vỏ | Vỏ nhôm |
| Chỉ số bảo vệ | IP67 – chống bụi, chống nước |
| Nhiệt độ làm việc | -25°C đến +55°C |
| Trạng thái hiển thị | LED Nguồn + LED tín hiệu |

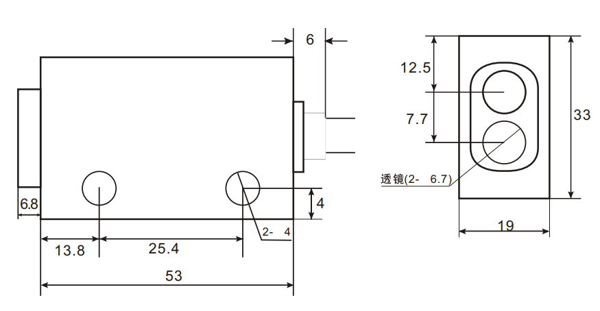
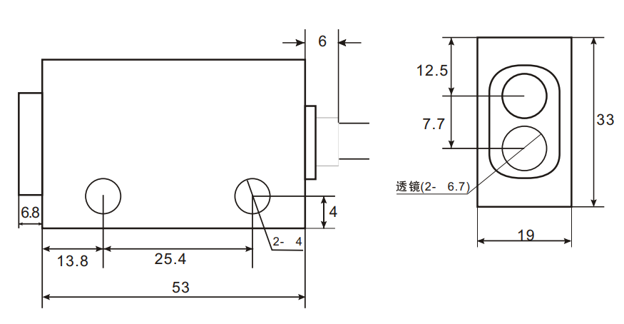
Kích thước của cảm biến quang Z3J-DS50E3
🔹 Phát hiện vật thể mà không cần gương phản xạ, hoạt động theo nguyên lý khuếch tán ánh sáng.
🔹 Phản hồi nhanh ≤1ms, đảm bảo chính xác trong dây chuyền tốc độ cao.
🔹 Lắp đặt dễ dàng, kích thước nhỏ gọn phù hợp mọi không gian máy móc.
🔹 Chống nhiễu ánh sáng môi trường, đảm bảo hoạt động ổn định.
🔹 Ứng dụng rộng rãi: dây chuyền đóng gói, băng tải phân loại, kiểm tra sản phẩm, robot gắp – đặt hàng hóa.


Khi đặt mua Z3J-DS50E3 Julong tại tudonghoaAZ, bạn nhận được:
✅ Hàng chính hãng Julong.
✅ Bảo hành 12 tháng, 1 đổi 1 nếu lỗi kỹ thuật.
✅ Hỗ trợ tư vấn kỹ thuật & lắp đặt miễn phí, tương thích với PLC và các hệ thống tự động.
✅ Giá ưu đãi nhất thị trường, chiết khấu hấp dẫn cho đơn hàng số lượng.
✅ Giao hàng toàn quốc, hỗ trợ kỹ thuật online 24/7