Dòng cảm biến quang phản xạ khuếch tán FOTEK CDR series thuộc loại ống trụ M18, được thiết kế chuyên dụng cho các ứng dụng công nghiệp yêu cầu phát hiện vật thể nhanh, chính xác và độ bền cao.
Hai model phổ biến nhất hiện nay là FOTEK CDR-10X và FOTEK CDR-30X, sử dụng nguồn DC 10–30V và đèn phát hồng ngoại LED (Infrared), tích hợp nút chỉnh độ nhạy (270° trimmer) giúp dễ dàng hiệu chỉnh cho từng môi trường hoạt động.
Sản phẩm có sẵn cả hai ngõ ra NPN & PNP thường mở, tương thích với hầu hết các bộ điều khiển PLC, relay, module I/O trong hệ thống tự động hóa.

| Thông số | CDR-10X | CDR-30X |
|---|---|---|
| Loại cảm biến | Quang phản xạ khuếch tán (Diffuse Reflective) | Quang phản xạ khuếch tán (Diffuse Reflective) |
| Khoảng cách phát hiện | 10 cm | 30 cm |
| Nguồn hoạt động | DC 10–30V | DC 10–30V |
| Dòng tiêu thụ | ≤25 mA | ≤25 mA |
| Dòng tải tối đa | 150 mA | 150 mA |
| Ngõ ra | NPN & PNP, NO | NPN & PNP, NO |
| Tần số đáp ứng | 2 ms | 2 ms |
| Nhiệt độ làm việc | –20°C ~ +60°C | –20°C ~ +60°C |
| Cấp bảo vệ | IP66 | IP66 |
| Vật liệu vỏ | Nhựa công nghiệp chịu va đập (Intensive Polyamid) | Nhựa công nghiệp chịu va đập (Intensive Polyamid) |
| Điều chỉnh độ nhạy | Núm xoay 270° | Núm xoay 270° |
| Chống nhiễu | Có (bảo vệ ngược cực và quá tải) | Có (bảo vệ ngược cực và quá tải) |
| Kiểu kết nối | Dây 4 lõi 2m | Dây 4 lõi 2m |


Sự khác nhau giữa CDR-10X và CDR-30X

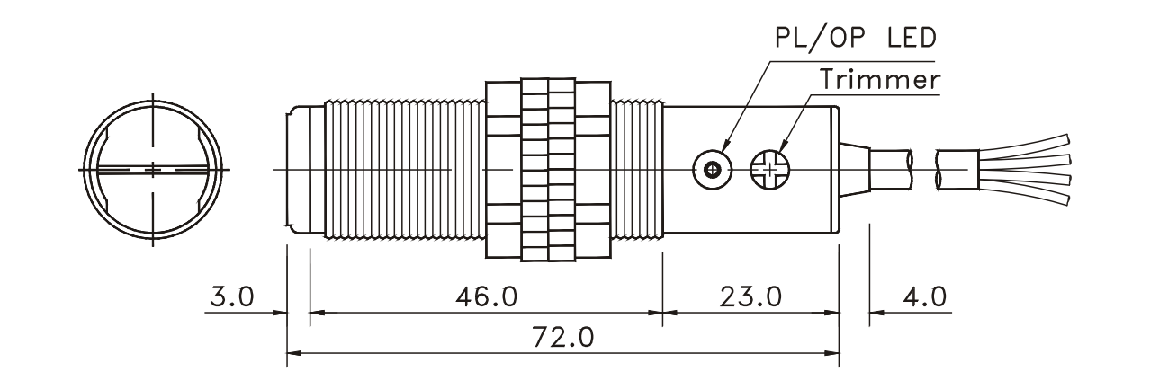
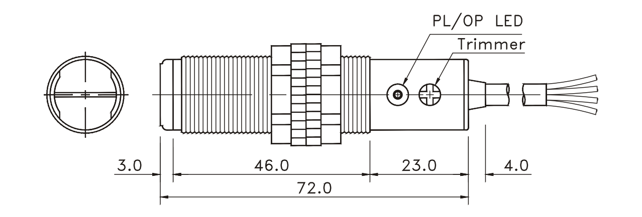
Kích thước chung của cảm biến quang CDR-10X | CDR-30X

Sơ đồ đấu nối dây của FOTEK CDR-10X | CDR-30X