Thương hiệu: OMRON
Xuất xứ: UK
Rơ le an toàn chuẩn quốc tế
OMRON D40B-J1 là dòng rơ le an toàn được thiết kế để đảm bảo ngắt mạch tức thời khi phát hiện cửa an toàn mở hoặc vi phạm vùng bảo vệ, giúp hệ thống máy móc công nghiệp hoạt động an toàn tuyệt đối.
Sản phẩm thuộc dòng D40B Safety Switch Series của OMRON – thương hiệu hàng đầu Nhật Bản, được sử dụng rộng rãi trong máy đóng gói, robot công nghiệp, dây chuyền tự động hóa và các ứng dụng yêu cầu tiêu chuẩn an toàn EN ISO 13849-1 (PLe) hoặc IEC 61508 (SIL3).
| Thông số | Giá trị |
|---|---|
| Mã sản phẩm | D40B-J1 |
| Hãng sản xuất | OMRON |
| Loại thiết bị | Rơ le an toàn / Cảm biến an toàn từ tính |
| Điện áp hoạt động | 24 VDC |
| Dòng tiêu thụ | Dưới 30 mA |
| Khoảng cách phát hiện | 10 mm (chuẩn) |
| Đầu ra an toàn | 2 tiếp điểm NO (Safety Outputs) |
| Chuẩn bảo vệ | IP67 |
| Tiêu chuẩn an toàn | EN ISO 13849-1, IEC 61508 (PLe, SIL3) |
| Nhiệt độ hoạt động | -10°C ~ +55°C |

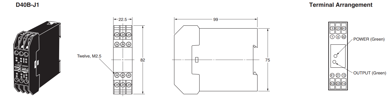
Bản vẽ kích thước Rơ le an toàn Omron D40B-J1

| Tiêu chí | OMRON D40B-J1 | Rơ le an toàn thông thường |
|---|---|---|
| Công nghệ phát hiện | Cảm biến từ mã hóa (coded magnetic) | Cảm biến cơ khí hoặc reed |
| Độ tin cậy | SIL3 / PLe | SIL1 – SIL2 |
| Tuổi thọ | >10 triệu chu kỳ | 1–2 triệu chu kỳ |
| Kích thước | Gọn nhẹ, dễ lắp | Cồng kềnh, khó bảo trì |
| Khả năng chống nước/bụi | IP67 | IP40–IP54 |
➡️ Nhờ cấu trúc không tiếp xúc, D40B-J1 tránh được mài mòn cơ khí, giúp hoạt động bền bỉ, ổn định và chính xác hơn nhiều so với rơ le cơ học truyền thống.
✅ Hàng chính hãng OMRON – có đầy đủ CO, CQ
✅ Bảo hành 12 tháng – hỗ trợ kỹ thuật trọn đời
✅ Giá cạnh tranh – chiết khấu cho dự án & đại lý
✅ Tư vấn chọn đúng model – tương thích với PLC & HMI sẵn có
✅ Giao hàng nhanh toàn quốc – hỗ trợ lắp đặt tại nhà máy