Rơ le an toàn PSR-SCP-24UC/ESA2/4X1/1X2/B của hãng Phoenix Contact là một sản phẩm chất lượng cao được thiết kế để cung cấp giải pháp an toàn cho các ứng dụng trong các ngành công nghiệp, như sản xuất ô tô, sản xuất dược phẩm, sản xuất điện tử, ...
Với khả năng xử lý tín hiệu an toàn đến 4 kênh đầu vào, rơ le PSR-SCP-24UC/ESA2/4X1/1X2/B được trang bị các chức năng bảo vệ vượt dòng, bảo vệ quá tải, bảo vệ ngắn mạch. Nó cũng có thể được cấu hình để hoạt động với các tín hiệu an toàn khác nhau, bao gồm tín hiệu PNP, NPN, nam châm, khóa và các tín hiệu an toàn khác từ các cảm biến hoặc công tắc bên ngoài.
Điều gì làm nên sự khác biệt giữa các loại relay thông thường và relay an toàn?
Rơ le PSR-SCP-24UC/ESA2/4X1/1X2/B có kích thước nhỏ gọn và thiết kế modul cho phép lắp đặt nhanh chóng và dễ dàng. Nó cũng được trang bị các đèn LED hiển thị trạng thái, giúp người dùng dễ dàng kiểm tra và chẩn đoán sự cố.
Với tính năng an toàn vượt trội, rơ le PSR-SCP-24UC/ESA2/4X1/1X2/B được sử dụng rộng rãi trong các ứng dụng an toàn như đóng cắt tủ điện, hệ thống an toàn máy móc và hệ thống báo động cháy nổ. Điều này giúp đảm bảo rằng quá trình sản xuất của bạn được thực hiện một cách an toàn và hiệu quả.
Tóm lại, rơ le an toàn PSR-SCP-24UC/ESA2/4X1/1X2/B của Phoenix Contact là một sản phẩm chất lượng cao với tính năng an toàn vượt trội, được sử dụng rộng rãi trong các ứng dụng công nghiệp khác nhau.

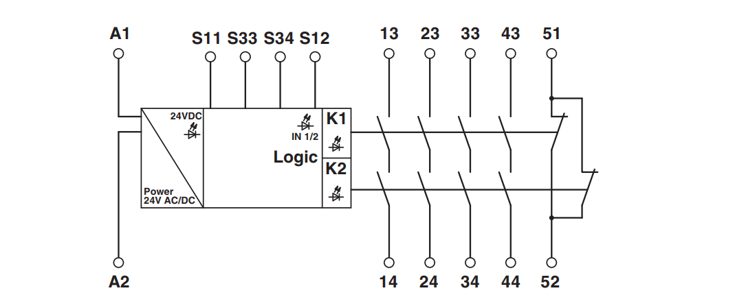
Sơ đồ I/O của rơ le an toàn Phoenix.

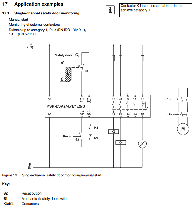
Hưỡng dẫn đấu nối safety relay và công tắc cửa an toàn.

Hưỡng dẫn đấu nối rơ le an toàn và nút dừng khẩn cấp.