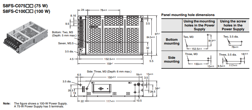
Là sản phẩm thuộc Dòng nguồn switching DC S8FS-C của OMRON
Nguồn vào: 115VAC 2A | 230VAC 1.1A | 50/60Hz
Nguồn ra: 24V 4.5A 100W ±10%
Bảo vệ quá tải, tự động reset
Bảo vệ quá áp 115% , tự động reset
Không có bảo vệ quá nhiệt
Có khả năng ghép nối tiếp để tăng gấp đôi điện áp (chú ý sử dụng kèm diode tránh ngược)
Không có khả năng ghép nối song song
Chỉ thị LED xanh lá
An toàn - Hiệu quả - Chất trong tầm giá !

