Thương hiệu: OMRON
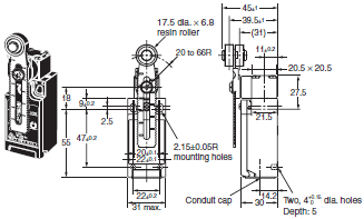
Cần dài có chỉnh
Bánh nhựa chịu mài mòn
📚Dòng công tắc an toàn D4N Series OMRON
Dòng sản phẩm công tắc hành trình an toàn phổ thông đáp ứng tiêu chuẩn quốc tế
IP67 (EN600947-5-1)
Có model với đầu nối M12 - thay thế thuận tiện, đơn giản
Tiêu chuẩn UL EN (TÜV) CCC
Tần số đóng cắt tối đa 30 lần/phút
Ui 300V
Độ bền cơ học 10~15 triệu lần tác động
Độ bền tiếp điểm
