logo Tự động hóa Az

Bộ khuếch đại Pepperl Fuchs KFA6-SR2-Ex1.W

Nhà cung cấp: Tự động hóa Az ✅
Mã sản phẩm: KFA6-SR2-Ex1.W
Tình trạng: Còn hàng
Liên hệ

Bộ khuếch đại cách ly tín hiệu KFA6-SR2-Ex1.W của Pepperl+Fuchs dùng trong hệ thống phòng nổ, hỗ trợ cảm biến NAMUR, relay kép, giám sát LB/SC, đạt chuẩn SIL2 theo IEC 61508. Phù hợp cho nhà máy hóa chất, dầu khí, và khu vực nguy hiểm Ex ia IIC.

Grow - Brilliant Together
Dịch vụ
Miễn phí vận chuyển nội thành
Dịch vụ
Vận chuyển thần tốc trong 2h làm việc
Dịch vụ
Đổi mới ngày đầu 1 đổi 1 nếu lỗi kỹ thuật
Dịch vụ
Đổi trả và bảo hành nhanh chóng
Dịch vụ
Tổng đài kỹ thuật Chat Zalo: 0902 176 098 hỗ trợ miễn phí

KFA6-SR2-Ex1.W – Bộ khuếch đại cách ly tín hiệu phòng nổ Pepperl+Fuchs

Trong các hệ thống điều khiển tự động công nghiệp, đặc biệt tại khu vực nguy hiểm (Ex Zone 0, 1, 2), việc đảm bảo an toàn và truyền tín hiệu ổn định là yêu cầu hàng đầu. Pepperl+Fuchs KFA6-SR2-Ex1.W là bộ khuếch đại cách ly (Isolated Switch Amplifier) được thiết kế để chuyển đổi và bảo vệ tín hiệu từ cảm biến NAMUR hoặc tiếp điểm cơ khí, đảm bảo cách ly điện hoàn toàn giữa vùng an toàn và vùng nguy hiểm.

KFA6-SR2-Ex1.W – Bộ khuếch đại cách ly tín hiệu Pepperl+Fuchs - Hình ảnh thực tế 1 KFA6-SR2-Ex1.W – Bộ khuếch đại cách ly tín hiệu Pepperl+Fuchs - Hình ảnh thực tế 2
Hình ảnh thực tế sản phẩm KFA6-SR2-Ex1.W Pepperl+Fuchs

Giới thiệu chung

KFA6-SR2-Ex1.W là thiết bị khuếch đại tín hiệu cách ly 1 kênh, đầu ra relay, đạt chuẩn EEx ia IIC. Thiết bị có khả năng giám sát đứt dây (LB)ngắn mạch (SC), đồng thời cung cấp tín hiệu lỗi theo tiêu chuẩn NAMUR NE44 bằng đèn LED đỏ nhấp nháy.

Ngoài ra, phiên bản KFD2-SR2-Ex1.W.LB có thể truyền thông báo lỗi tổng qua Power Rail, giúp giám sát tập trung nhiều mô-đun trong tủ điều khiển.

Thông số kỹ thuật

Thông số Giá trị
Nguồn cấp 207...253 V AC, 45...65 Hz
Công suất tiêu thụ ≤ 1.3 W
Dòng điện đầu vào Theo tiêu chuẩn NAMUR EN 60947-5-6
Điện áp mạch hở 8 V DC
Dòng ngắn mạch 8 mA
Tín hiệu đầu ra I Relay 1 NO/NC
Tín hiệu đầu ra II Relay hoặc tín hiệu lỗi
Tải tiếp điểm 253 V AC / 2 A
Cách ly điện Theo IEC 61140, 300 Veff
Nhiệt độ hoạt động -20...60°C
Cấp bảo vệ IP20
Kích thước 20 × 119 × 115 mm
Chứng nhận ATEX, IECEx, SIL2 (IEC 61508)
Loại bảo vệ [EEx ia] IIC – vùng 0/1/2
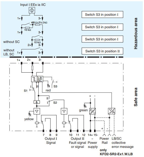
Sơ đồ đấu nối KFA6-SR2-Ex1.W – Bộ khuếch đại cách ly tín hiệu Pepperl+Fuchs
Sơ đồ đấu nối KFA6-SR2-Ex1.W Pepperl+Fuchs

Tải tài liệu kỹ thuật

Tải tài liệu kỹ thuật chi tiết tại đây: [KFA6-SR2-Ex1.W datasheet.pdf]

Chức năng

Thiết bị KFA6-SR2-Ex1.W đóng vai trò trung gian giữa cảm biến NAMUR hoặc tiếp điểm cơ khí với bộ điều khiển trung tâm (PLC, DCS).

  • Cách ly tín hiệu giữa vùng nguy hiểm và vùng an toàn.
  • Phát hiện đứt dây hoặc chạm mạch trong mạch cảm biến.
  • Tín hiệu lỗi được hiển thị bằng LED đỏ, đồng thời có thể xuất ra dưới dạng relay lỗi.
  • Hoạt động ổn định ở tần số chuyển mạch lên đến 10 Hz.
  • Tuân thủ tiêu chuẩn EN 50020 về an toàn phòng nổ.

Ứng dụng nổi bật

Sản phẩm được sử dụng rộng rãi trong các hệ thống:

  • 🏭 Nhà máy lọc dầu, hóa chất: Giám sát tín hiệu cảm biến áp suất, mức, nhiệt độ tại khu vực Ex.
  • ⚙️ Dây chuyền sản xuất tự động: Truyền tín hiệu an toàn từ cảm biến giới hạn hành trình.
  • Kho chứa, trạm bơm xăng dầu: Kết nối cảm biến mức trong bồn chứa chống cháy nổ.
  • 🌡️ Hệ thống DCS/PLC Siemens, Yokogawa, Emerson, ABB: Cách ly và bảo vệ tín hiệu đầu vào.
  • Tủ điều khiển và giám sát trung tâm: Dùng kết hợp với module Power Rail để báo lỗi tập trung.

Ưu điểm vượt trội

Đặc điểm KFA6-SR2-Ex1.W Sản phẩm tương tự (KFD2-SR2)
Nguồn cấp 230V AC 24V DC
Đầu ra 2 relay tùy chọn 1 relay cố định
Giám sát LB/SC
Báo lỗi qua Power Rail Không
Chuẩn SIL2
Ứng dụng Nhà máy truyền thống, retrofit Hệ thống hiện đại, rail-mounted

Ưu điểm nổi bật:

  • Cách ly tín hiệu an toàn tuyệt đối giữa vùng Ex và non-Ex.
  • Thiết kế nhỏ gọn (20mm), dễ dàng gắn trên thanh DIN.
  • Độ tin cậy cao, tuổi thọ relay đạt 10⁷ chu kỳ.
  • Đạt các tiêu chuẩn quốc tế về EMC, ATEX, IEC 61508, NAMUR NE21.
  • Hoạt động ổn định trong môi trường khắc nghiệt từ -20 đến +60°C.

Kết luận – Mua hàng ngay hôm nay

KFA6-SR2-Ex1.W là lựa chọn lý tưởng cho các hệ thống tự động hóa yêu cầu an toàn phòng nổ và cách ly tín hiệu chuẩn quốc tế. Liên hệ ngay với đại lý Pepperl+Fuchs tại Việt Nam để được tư vấn kỹ thuật, nhận báo giá và hỗ trợ lựa chọn model phù hợp với hệ thống của bạn.

📩 Liên hệ ngay để nhận báo giá ưu đãi và tài liệu kỹ thuật chi tiết!

Quý khách đăng ký thành viên để nhận các ưu đãi hấp dẫn khi mua sản phẩm
popup

Số lượng:

Tổng tiền:

Giỏ hàng( Sản phẩm)

avatar
Xin chào
close nav
Tất cả danh mục