 
													 
													 
													 
													 
													Thông Tin Sản Phẩm
Cho cảm biến đặt đầu NBB4-12GM50-A0-V1
- Khoảng cách nhúng dưới 4 mm
- Tăng khoảng cách hoạt động
- -40° ... +85° C
- Khoảng điện áp hoạt động mở rộng
- Sử dụng linh hoạt với nhiều cơ hội lắp đặt đa dạng
Dữ liệu kỹ thuật
Thông số chung
Chức năng chuyển đổi bổ sung
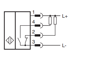
Loại đầu ra NPN
Khoảng cách hoạt động được đánh giá sn 4 mm
Lắp đặt ngấn
Cực tính đầu ra DC
Khoảng cách hoạt động đảm bảo sa 0 ... 3,24 mm
Phần tử kích hoạt là thép mềm, ví dụ 1.0037, SR235JR 
12 mm x 12 mm x 1 mm
Hệ số giảm rAl 0,4
Hệ số giảm rCu 0,35
Hệ số giảm r304 0,79
Hệ số giảm rBrass 0,49
Loại đầu ra 4 dây
Xếp hạng danh định
Điện áp hoạt động UB 5 ... 36 V
Tần số chuyển đổi f 0 ... 2550 Hz
Hysteresis H typ. 5 %
Bảo vệ đảo cực ngược được bảo vệ
Bảo vệ ngắn mạch đập
Mức giảm điện áp Ud ≤ 1 V
Dòng hoạt động IL 0 ... 200 mA
Dòng không hoạt động tối đa Ir max. 20 µA
Dòng cung cấp không tải I0 ≤ 15 mA
Thời gian trễ trước khi sẵn sàng tv ≤ 10 ms
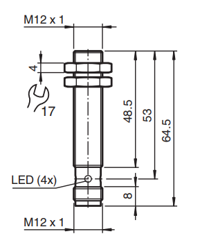
Chỉ báo trạng thái chuyển đổi Đèn LED nhiều lỗ, màu vàng
Thông số liên quan đến an toàn chức năng
MTTFd 1255 năm
Thời gian nhiệm vụ (TM) 20 năm
Tỷ lệ chẩn đoán (DC) 0 %
Tuân thủ
Tuân thủ PWIS VDMA 24364-A1/B2/C1/T100°C-W
Tuân thủ các tiêu chuẩn và hướng dẫn
Tuân thủ tiêu chuẩn
Tiêu chuẩn EN 60947-5-2:2007
EN 60947-5-2/A1:2012
IEC 60947-5-2:2007
IEC 60947-5-2 AMD 1:2012
Chứng nhận và chứng chỉ
Lớp bảo vệ II
Điện áp cách điện định mức Ui 36 V
Điện áp chịu được xung Uimp 500 V
Chứng nhận UL cULus Listed, General Purpose, Class 2 Power Source
Chứng nhận CCC CCC approval / marking not required for products rated ≤36 V
Điều kiện môi trường
Nhiệt độ môi trường -40 ... 85 °C (-40 ... 185 °F)
Nhiệt độ lưu trữ -40 ... 85 °C (-40 ... 185 °F)
Thông số cơ khí
Loại kết nối Đầu nối
Chất liệu vỏ đồng thau, được phủ lớp bạc màu trắng
Mặt cảm ứng PBT, màu xanh lá cây
Mức độ bảo vệ IP68
Đầu nối
Ren M12 x 1
Số chân 4
Trọng lượng 29 g
Mô men xiết 0 ... 10 Nm
Thông tin tổng quan
Phạm vi giao hàng 2 ốc tự khóa trong phạm vi giao hàng