Là 2 sản phẩm cảm biến quang điện phản xạ khuếch tán, triệt tiêu nền (BGS) được cung cấp bởi thương hiệu IFM đến từ Đức.
Thương hiệu đứng đầu về các thiết bị cảm biến công nghiệp với độ chính xác cao, hoạt động bền bỉ, hiệu suất tuyệt vời.
Được sản xuất tại Singapore.
Phù hợp với tiêu chuẩn toàn cầu .
Thiết kế nhỏ gọn, tiết kiệm diện tích.
Cài đặt dễ dàng, trực quan bằng biến trở.
Triệt tiêu nền hiệu quả kể cả với nền phản xạ mạnh.
| Thông số cảm biến | |||||
|---|---|---|---|---|---|
| Kiểu ánh sáng | LED đỏ | ||||
| Vỏ | Hộp chữ nhật | ||||
| Chức năng | |||||
| Ứng dụng đặc biệt | Triệt tiêu nền (BGS) | ||||
| Kiểu cảm biến | Phản xạ khuếch tán (Diffuse reflection) | ||||
| Thông số điện | |||||
| Điện áp nguồn [V] | 10...30 DC | ||||
| Dòng thiêu thụ [mA] | 22; ((24 V)) | ||||
| Chống ngược cực | Có | ||||
| Kiểu ánh sáng | red light | ||||
| Bước sóng [nm] | 633 | ||||
| Đầu ra | |||||
| Kiểu đầu ra | O6H204 là NPN | ||||
| O6H200 là PNP | |||||
| Lệnh đầu ra | light-on/dark-on mode; (tùy chỉnh) | ||||
| Tần số đóng cắt đầu ra [Hz] | 1000 | ||||
| Bảo vệ ngắn mạch đầu ra | Có | ||||
| Kiểu bảo vệ ngắn mạch đầu ra | Kéo | ||||
| Vùng phát hiện | |||||
| Dải [mm] | 2...200; (white paper 200 x 200 mm) | ||||
| Dải với vật thể trắng | 2...200 | ||||
| Dải với vật thể xám | 4...200 | ||||
| Dải với vật thể đen | 8...200 | ||||
| Điều chỉnh dải | Có | ||||
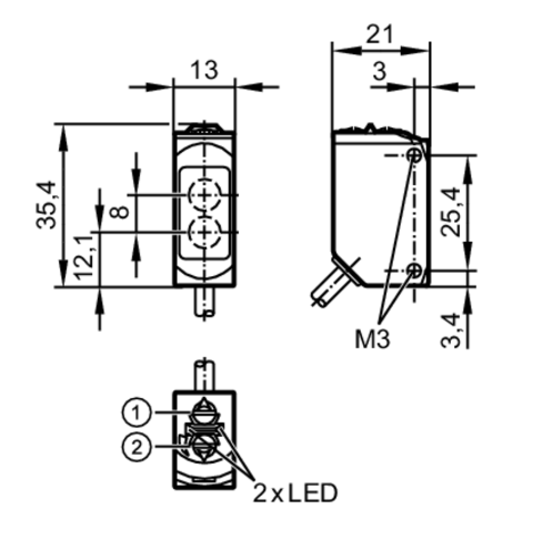
| Đường kính điểm LED [mm] | 8 | ||||
| BGS | yes | ||||
| Môi trường hoạt động | |||||
| Nhiệt độ [°C] | -25...60 | ||||
| Cấp bảo vệ | IP 65; IP 67 | ||||
| Thông số cơ học | |||||
| Trọng lượng [g] | 59.8 | ||||
| Vỏ ngoài | Hộp chữ nhật | ||||
| Kích thước [mm] | 35.4 x 13 x 21 | ||||
| Vật liệu |
Vỏ nhựa: ABS; PPSU; Bao bì: EPDM |
||||
| Chất liệu thấu kính |
|
||||
| Vị trí thấu kính | Bên sườn (Vuông góc với chiều đứng của cảm biến) | ||||
| Hiển thị / Vị trí cài đặt | |||||
| Hiển thị |
|
||||
| Kiểu kết nối | |||||
| Nhà cung cấp | Cable: 2 m, chất liệu PUR; 3 x 0.25 mm² | ||||

1 - Biến trở điều chỉnh chế độ đầu ra ( Dark-On / Light-On)
2 - Biến trở điều chỉnh độ nhạy của cảm biến (Khoảng cách phát hiện)

Sơ đồ đấu dây NPN

Sơ đồ đấu dây PNP
BN - Brown - Nâu
BK - Black - Đen
BU -Blue - Xanh dương