Bảo vệ đảo pha, chống mất pha, OVER/UNDER Voltage
Mỏng 17.5mm | 3 Phase 480VAC
Đầu ra SPDT (NO-COM-NC) | 5A 250VAC 30VDC
Kích thước nhỏ gọn tiêu chuẩn Châu Âu với chiều rộng chỉ 17.5mm (80x74mm)
Khả năng chống nhiễu, chống sóng hài do biến tần
Phân biệt thứ tự pha, bảo vệ chống mất pha
Giám sát điện áp, bảo vệ quá áp, thấp áp nguồn vào
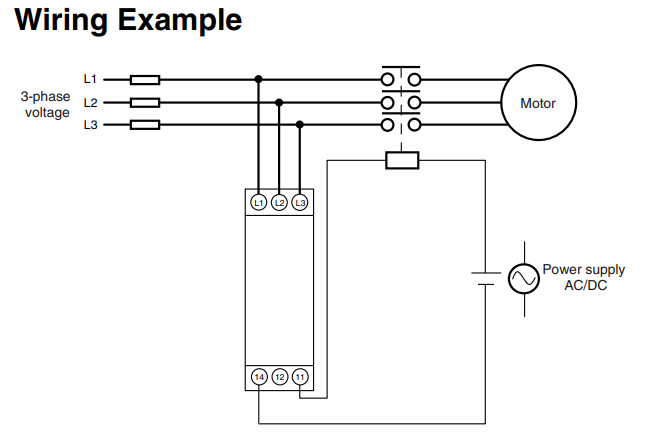
Chống mất pha cho động cơ
Có chỉ thị
3 Phase | 380~480VAC | 50-60Hz (Max 500V) 2.8VA
Bảo vệ quá áp Over Voltage : -30% ~ 25% Uin (Điện áp vào)
Bảo vệ thấp áp Under Voltage : -30% ~ 25% Uin (Điện áp vào)
Thời gian phản hồi đảo pha hoặc mất pha: 0.1s
Thời gian phản hồi bảo vệ điện áp: 0.1~30S (Có thể điều chỉnh)
Tự động reset
Đầu ra: SPDT (NO+COM+NC) | 5A 250VAC | 5A 30VDC





Phương pháp test đảo pha bằng đảo 2 trong số 3 dây điện đầu vào
Test mất pha bằng cách ngắt 1 trong số các dây nguồn đầu vào
K8DS-PM2 giám sát cả 3 phase đầu vào. Chính vì vậy chỉ cần 1 trong 3 pha có sự thay đổi điện áp bất thường, bộ điều khiển sẽ báo lỗi và ngắt mạch. Tính năng này áp dụng cho cả quá áp và thấp áp.
Lưu ý: Bộ chống mất pha chỉ có thể xác hiện lỗi pha đầu vào, dựa trên điện áp giữa 3 pha nguồn. Không thể xác định mất pha ở phía tải
Hiện tượng mất pha phía tải khi động cơ đang hoạt động có thể làm mất cân bằng điện áp trên đường dây truyền tải, khiến 3 pha không còn cân bằng. Dựa trên đó, bộ chống mất pha có thể phát hiện mất pha tải đầu ra thông qua sự chênh lệch điện áp bất thường giữa các pha. Tuy nhiên, phương pháp này chỉ hiệu quả khi tải động cơ đủ lớn, tín hiệu lệch bất thường đủ lớn để có thể phát hiện. Chính vì vậy trên thực tế, để chống mất pha hoặc giám sát bảo vệ quá tải động cơ, chúng tôi khuyên quý khách sử dụng phương pháp khác có hiệu quả cao hơn, chính xác hơn. Các thiết bị relay giám sát kỹ thuật số có thể là phương án tối ưu cả về chi phí và hiệu năng.
Tham khảo thêm dòng relay bảo vệ kỹ thuật số EOCR Schneider